高真空隔膜阀--产品介绍:
GM型系列高真空隔膜阀是利用阀杆将橡胶膜直接压在阀座上,用来截止或接通真空系统。具有关闭力矩小,寿命长等优点。连接形式有活套法兰连接,快卸法兰连接,焊接式连接(即两端焊接),一焊一插管连接(即一端焊接,另一端插入)。适用的工作介质为空气、水、酸、碱。
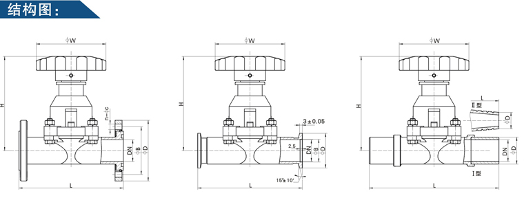
高真空隔膜阀--主要技术性能:
适用范围(Pa) | 105~1.3x10-4 |
阀门漏率(Pa.L/S) | ≤1.3x10-4 |
介质温度(℃) | -25~+80(密封材料为丁腈橡胶) -30~+150(密封材料为氟橡胶) |
安装位置 | 任意 |

活套法兰连接及外形尺寸:
型号 | 通径(DN) | ΦD | ΦB | ΦW | H | L | n-ΦC | 法兰标准 |
GM-10 | 10 | 46 | 36 | 55 | 75 | 75 | 4-Φ6 | JB919 |
GM-25 | 25 | 70 | 55 | 90 | 115 | 120 | 4-Φ7 | GB/T6070 |
GM-40 | 40 | 100 | 80 | 100 | 132 | 150 | 4-Φ9 |
GM-50 | 50 | 110 | 90 | 100 | 157 | 180 | 4-Φ9 |
快卸法兰(KF)连接及外形尺寸:
型号 | 通径(DN) | ΦD | ΦB | ΦW | H | L | 法兰标准 |
GM-10/KF | 10 | 30 | 12.2 | 55 | 75 | 75 | GB4892 |
GM-25/KF | 25 | 40 | 26.2 | 90 | 115 | 100 |
GM-40/KF | 40 | 55 | 41.2 | 100 | 132 | 150 |
GM-50/KF | 50 | 75 | 52.2 | 100 | 157 | 180 | / |
焊接式连接及外形尺寸:
型号 | 通径(DN) | ΦD | ΦW | H | L |
GM-10-H(Ⅰ) | 10 | 19 | 55 | 75 | 150 |
GM-25H(Ⅰ) | 25 | 32 | 90 | 115 | 200 |
GM-40H(Ⅰ) | 40 | 45 | 100 | 132 | 240 |
GM-50H(Ⅰ) | 50 | 57 | 100 | 157 | 240 |
GM-10H(Ⅱ) | 10 | 9 | 55 | 75 | 150 |
GM-25H(Ⅱ) | 25 | 19 | 90 | 115 | 200 |
注:Ⅰ型为两端焊接;Ⅱ型为一端焊接,另一端插入
上兆阀门其他产品:
闸 阀 截止阀 球 阀 蝶 阀 紧急切断阀 电磁阀 水力控制阀 止回阀 刀型闸阀 旋塞阀 过滤器 减压阀 疏水阀 隔膜阀 调节阀 阻火器 呼吸阀 燃气阀门 冶金阀门