

|
||||||||||||||||||||||||||||||||||||||||||||||||||||||||||||||||||||||||||||||||||||||||||||||||||||||||||||||||||||||||||||||||||||||||||||||||
|
产品介绍 GD-J型高真空挡板阀--产品介绍: GD-J型高真空挡板阀(又称角阀)是用于真空系统中用来切断或接通气流之用。传动部件采用螺杆传动升降阀板,动作轻巧、工作可靠。GD-J为角通型式,GD-S为带预抽口的三通型式。适用的介质为空气及非腐蚀性气体。传动部件采用螺纹结构。高真空挡板阀动作轻巧、工作可靠,高真空挡板阀适用温度范围: -30℃-+150℃GD-J系列高真空挡板阀是用于真空系统中用来切断或接通气流之用。 GD-J型高真空挡板阀适用的工作介质为空气、非腐蚀性及不含颗?;页镜钠濉?/p> GD high vacuum flapper valve is used to put through or cut off the airflow in vacuum pipeline. Applicable medium can be pure air and noncorrosive gases. According to its shaft seal structure, high vacuum flapper valve is classified into GD-J rubber shaft seal type and GD-J(b)bellows shaft seal type. According to its put-through type, it is classified into GD-J angle type and GD-S three-way type with prepumping. GD-J型高真空挡板阀--主要技术性能:
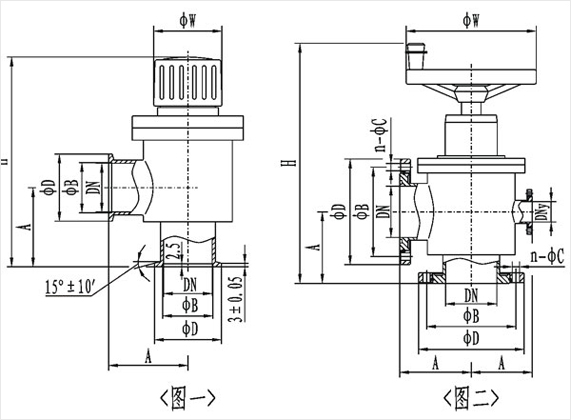
GD-J型高真空挡板阀--连接尺寸:
上兆阀门其他产品: 闸 阀 截止阀 球 阀 蝶 阀 紧急切断阀 电磁阀 水力控制阀 止回阀 刀型闸阀 旋塞阀 过滤器 减压阀 疏水阀 隔膜阀 调节阀 阻火器 呼吸阀 燃气阀门 冶金阀门 | ||||||||||||||||||||||||||||||||||||||||||||||||||||||||||||||||||||||||||||||||||||||||||||||||||||||||||||||||||||||||||||||||||||||||||||||||
相关产品 |
||||||||||||||||||||||||||||||||||||||||||||||||||||||||||||||||||||||||||||||||||||||||||||||||||||||||||||||||||||||||||||||||||||||||||||||||