首先, GLF-C300X300星型卸灰阀的应用范围和工作原理: 星型卸灰阀又称旋转式输送阀,分为GLF-C星形方形排放阀和GLY-C星形圆形排放阀,广泛应用于建材,冶金,化工,电力等部门。 紧急切断阀 除尘设备的灰渣卸料装置也可用作各种磨机,干燥机,筒仓等的进料和卸料装置,适用于干燥粉末和小颗粒物料,以及星型灰排放阀依赖于材料。 重力作用和进料器工作机构的强制作用将物料排放到料箱中,并将其连续均匀地送入下一个装置。 二,GLF-C星型卸灰阀产品特点: 优质钢板焊接结构,叶片耐磨性强,传动装置,传动轴和叶片一体化。 具有工作稳定可靠,消隐均匀,轻便,节能的特点。 由于星形排灰阀的轴承和减速器向外凸出,因此可以防止灰尘被挤入轴承和大颗粒材料中。 在操作过程中,叶轮通过连接轴旋转叶轮,壳体上部的材料均匀地带到下部,材料被下一个装置送走。 蝶阀因此,星型排灰阀只能直立安装,不允许水平安装。进料器的上部应保持一定的柱子。 三,GLF-C星型卸灰阀主要技术参数: | 适用介质 | 工作温度 | 卸灰能力 | | 干燥粉尘 | 150℃ | 4.5-160m3/h |
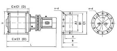
 | A1×A | B1×B | C1×C | DN | D | D1 | H | L | n-d | 传动功率型号 | 功率KW | 卸灰能力 m3/h | 重量kg | | 150×150 | 200×200 | 230×230 | 150 | 230 | 200 | 250 | 870 | 8-Φ13 | BLY-15-43 | 0.75 | 5 | 121 | | 200×200 | 260×260 | 300×300 | 200 | 300 | 260 | 300 | 910 | 8-Φ17 | BLY-15-43 | 12 | 178 | | 300×200 | 360×260 | 400×300 | | | | 300 | 910 | 8-Φ17 | BLY-15-43 | 18 | 214 | | 250×250 | 310×310 | 350×350 | 250 | 350 | 310 | 350 | 910 | 8-Φ17 | BLY-15-43 | 24 | 258 | | 300×300 | 360×360 | 400×400 | 300 | 400 | 360 | 450 | 1140 | 8-Φ17 | BLY-18-59 | 1.5 | 30 | 308 | | 400×300 | 460×360 | 500×400 | | | | 450 | 1140 | 10-Φ17 | BLY-18-59 | 40 | 335 | | 500×300 | 460×360 | 600×400 | | | | 450 | 1140 | 12-Φ17 | BLY-18-59 | 50 | 65 | | 400×400 | 560×360 | 500×500 | 400 | 500 | 460 | 600 | 1220 | 12-Φ20 | BLY-22-71 | 3 | 60 | 398 | | 500×400 | 460×460 | 600×500 | | | | 600 | 1220 | 14-Φ26 | BLY-22-71 | 75 | 428 | | 500×500 | 570×570 | 630×630 | 500 | 630 | 570 | 760 | 1400 | 16-Φ26 | BLY-22-71 | 118 | 524 | | 700×500 | 770×570 | 830×630 | | | | 760 | 1400 | 18-Φ26 | BLY-22-71 | 160 | 654 |
|