H41F46 升降式衬氟止回阀适用在-50℃~150℃的各种浓度的王水、硫酸、盐酸、氢氟酸和各种有机酸、强酸、强氧化剂,FEP还适用于各种浓度的强碱有机溶剂以及其它腐蚀性气体、液体介质的管路上使用。
二、H41F46升降式衬氟止回阀--主要零部件材料表
| 序号 | 零件名称 | 灰铸铁 | 铸钢 | 不锈耐酸铸钢 | 超低碳不锈耐酸铸钢 |
| Z | C | P | R | PL | RL |
| 1 | 阀体/阀盖 | HT250 | WCB | CF8 | CF8M | CF3 | CF3M |
| 2 | 阀瓣/阀杆 | 35 | 1Cr13 | 1Cr18Ni9 | 1Cr18Ni12Mo2Ti | 00Cr18Ni10 | 00Cr17Ni14Mo2 |
| 3 | 衬里/阀座 | PCTEF(F3),FEP(F46),PFA(可溶F4),PP,PO |
| 4 | 紧固螺栓 | WCB | 1Cr17Ni2 | 1Cr18Ni9Ti |
| 5 | 螺母 | PTFE(F4) | CF8 | CF8 |
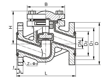
三、H41F46升降式衬氟止回阀--主要外形和连接尺寸
| 公称通经 | L | D | D1 | D2 | f | b | Z-φd | D | D1 | D2 | f | b | Z-φd |
| DN(mm) | NPS(inch) | PN1.0MPa | PN1.6MPa |
| 15 | 1/2 | 130 | 95 | 65 | 45 | 2 | 14 | 4-φ14 | 130 | 95 | 65 | 2 | 14 | 4-φ14 |
| 20 | 3/4 | 150 | 105 | 75 | 55 | 2 | 16 | 4-φ14 | 150 | 105 | 75 | 2 | 16 | 4-φ14 |
| 25 | 1 | 160 | 115 | 85 | 65 | 2 | 16 | 4-φ14 | 160 | 115 | 85 | 2 | 16 | 4-φ14 |
| 32 | 5/4 | 180 | 135 | 100 | 78 | 2 | 18 | 4-φ18 | 180 | 135 | 100 | 2 | 18 | 4-φ18 |
| 40 | 3/2 | 200 | 145 | 110 | 85 | 3 | 18 | 4-φ18 | 200 | 145 | 110 | 3 | 18 | 4-φ18 |
| 50 | 2 | 230 | 160 | 125 | 100 | 3 | 20 | 4-φ18 | 230 | 160 | 125 | 3 | 20 | 4-φ18 |
| 65 | 5/2 | 290 | 180 | 145 | 120 | 3 | 20 | 4-φ18 | 290 | 180 | 145 | 3 | 20 | 4-φ18 |
| 80 | 3 | 310 | 195 | 160 | 135 | 3 | 22 | 4-φ18 | 310 | 195 | 160 | 3 | 22 | 4-φ18 |
| 100 | 4 | 350 | 215 | 180 | 155 | 3 | 22 | 8-φ18 | 350 | 215 | 180 | 3 | 24 | 8-φ18 |
| 125 | 5 | 400 | 245 | 210 | 185 | 3 | 24 | 8-φ18 | 400 | 245 | 210 | 3 | 26 | 8-φ18 |
| 150 | 6 | 480 | 280 | 240 | 210 | 3 | 24 | 8-φ23 | 480 | 280 | 240 | 3 | 28 | 8-φ23 |
| 200 | 8 | 600 | 335 | 295 | 265 | 3 | 26 | 8-φ23 | 495 | 335 | 295 | 3 | 30 | 12-φ23 |
| 250 | 10 | 622 | 390 | 350 | 320 | 3 | 28 | 12-φ23 | 622 | 405 | 355 | 3 | 32 | 12-φ25 |
| 300 | 12 | 698 | 440 | 400 | 368 | 4 | 28 | 12-φ23 | 698 | 460 | 410 | 4 | 34 | 12-φ25 |
| 350 | 14 | 787 | 500 | 460 | 428 | 4 | 30 | 16-φ23 | 787 | 520 | 470 | 4 | 38 | 16-φ25 |
| 400 | 16 | 914 | 565 | 515 | 482 | 4 | 32 | 16-φ25 | 914 | 580 | 525 | 4 | 40 | 16-φ30 |
| 450 | 18 | 978 | 615 | 565 | 532 | 4 | 32 | 20-φ25 | | | | | | |
| 500 | 20 | 978 | 670 | 620 | 585 | 4 | 34 | 20-φ25 | | | | | | |

上兆阀门其他产品:
闸 阀 截止阀 球 阀 蝶 阀 紧急切断阀 电磁阀 水力控制阀 止回阀 刀型闸阀 旋塞阀 过滤器 减压阀 疏水阀 隔膜阀 调节阀 阻火器 呼吸阀 燃气阀门 冶金阀门