全国qq二维码叫小妹,200元3小时不限次二维码,全国高端商务接待私人预约,3小时上门100元

销售热线:021-66105556
您现在的位置:网站首页 -> 水力控制阀 -> 100X遥控浮球阀

100X ??馗∏蚍?/h2>
??馗∏蚍? width=
所属系列:水力控制阀系列
检索关键字:??馗∏蚍?100x浮球阀,浮球遥控阀
销售电话:021-66105556
图文传真:021-63061811
在线客服:点击这里给我发消息 点击这里给我发消息

感谢您向我们发出订单我们会在最短时间与您联系

产品介绍

一、100X??馗∏蚍?-概述

 

100X??馗∏蚍?/a>由主阀、针阀、球阀、浮球阀、微型过滤器等组成水力控制接管系统,调定后,自动控制液面高度。本产品直接利用液面控制,不需要其它装置和能源,保养简便,液面控制准确度高,不受水压影响,密封可靠。 广泛用于高层建筑、生活区等供水管网系统的水塔、水池等设施的液面控制。

 

压力等级:PN10﹑PN16﹑PN25

隔膜式:DN20~450

活塞式:DN350~800

 

二、100X??馗∏蚍?/span>--工作原理

 

当管道从进水端给水时,由于针阀、球阀、浮球阀是???,水通过微型过滤器、针阀、控制室、球阀、浮球阀进入水池,此时控制室不形成压力,主阀开启,水塔(池)供水。

 

当水塔(池)的水面上升至设定高度时,浮球浮起关闭浮球阀,控制室内水压升高,推动主阀关闭,供水停止。当水面下降时,浮球阀重新开启,控制室水压下降,主阀再次开启继续供水,保持液面的设定高度。

 

三、100X遥控浮球阀--主要技术参数

 

公称压力(Mpa)壳体试验压力(MPa)密封试验压力(MPa)适用介质介质温度(℃)
1.01.51.10-80
1.62.41.76
2.53.752.75

 

四、100X遥控浮球阀--主要零件材料

 

零件名称零件材料
阀体 阀盖WCB
阀座 阀盘铜合金
密封圈 O型圈丁腈橡胶
阀杆2Cr13
弹簧50CrVA
针型阀铜合金
球阀铜合金
浮球阀铜合金
微型过滤器不锈钢

 

五、100X??馗∏蚍?/span>--部件列表

 

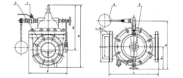
1、球阀2、产阀3、针阀4、浮球阀

 

六、主要外形及连接尺寸

 

公称通径    尺    寸(mm)
    DN(mm)  L    A1    A    H1    H    F
    20    150    130    325    179    212    116
    25    160    130    325    179    212    116
    32    180    130    325    179    212    116
    40    200    140    335    210    265    168
    50    203    140    335    210    265    168
    65    215    140    335    215    310    180
    80    241    145    345    245    350    210
    100    270    155    365    305    460    284
    125    300    165    385    365    520    310
    150    330    180    410    415    570    370
    200    400    205    465    510    840    463
    250   480    225    505    560    890    525
    300    550    245    545    658    1030    625
    350    622    275    595    696    1090    705
    400    685    285    625    735    1150    778
    450    750    285    625    735    1150    778
    500    811    410    780    750    1110    690
    600    935    456    888    850    1286    785

 

七、安装示意图

 

上兆阀门其他产品:


闸 阀  截止阀  球 阀  蝶 阀  紧急切断阀   电磁阀   水力控制阀   止回阀   刀型闸阀    旋塞阀  过滤器  减压阀  疏水阀  隔膜阀  调节阀  阻火器  呼吸阀  燃气阀门  冶金阀门




相关产品