球阀在石油、天然气、煤炭和矿石的开采、提炼加工和管道输送系统中;球阀在化工产品、医药和食品生产种;在水电、火电和核电的电力生产系统中;球阀在城市和工业企业的给排水、供热、和供气系统中;球阀在农田的排灌系统中;在治金生产系统中得以广泛的应用,是一种与生产建设、国防建设和人民生活息息相关的重要机械产品。球阀密闭在各类管路系统种用于截断或接通介质流,使介质按照预定的程序输送到各个指定点。
三、Q946F电动四通球阀--性能参数
| 阀体 | 阀杆 | 阀球 | 密封面 | 垫片 | 填料 | 工作温度 | 适用介质 |
| WCB | 1Cr13 | 1Cr13 | 1Cr13 司太立合金 本体材料 | 柔性石墨 不锈钢加柔性石墨 08软钢 F304 F316 | 柔性石墨 编结石墨 | -29-425℃ | 水、蒸汽、油品 |
| WC6 | 15CrMo | 15CrMo | -29-425℃ |
| WC9 | 25Cr2MoV | 25Cr2MoV |
| LCB | 304 | 304 | -46-354℃ |
| CF8 | 304 | 304 | -196-600℃ | 部分酸、碱 |
| CF3 | 304L | 304L |
| CF8M | 316 | 316 |
| CF3M | 316L | 316L |
1、手动部分可采用钢板压制的手柄或不锈钢铸造的手柄。手柄设有限位结构,在阀门开启、关闭的位置设定限位,当阀门使用在关键装置上时,限位块上设有锁孔可锁定开 关位置避免误操作。手柄上有明显地开和关标识。
2、阀杆采用A182F(1Cr13)整体锻造并调制处理,硬度达到HB220~250。阀杆通过平键或花键或方契与手柄连接,通用性强,拆装方便。阀杆设有防吹出结构。
3、阀门的填料选用编结、柔性石墨密封圈或四氟烯密封圈,使得阀杆在一定的润滑情况下实现可靠的密封。
4、根据需要,球阀可设计成防静电结构,在球体与阀杆、阀杆与阀体之间设置导电弹簧,避免静电打火点燃易燃物质,确保系统安全。
5、密封副形式多样。根据不同工况可选用软密封、硬密封、防火阀座等结构;DN150以下为浮球形式,DN200以下为固定球形式。
6、球阀阀座处可设置辅助密封结构,在阀座和阀杆部位加装注脂阀,紧急情况下可暂时密封,并可根据需要加长阀杆以适宜埋地铺设得场所
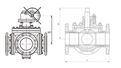
五、Q946F电动四通球阀--主要外形尺寸
| 公称通经DN | 150 | 200 × 150 | 200 | 250 × 200 | 250 | 300 × 250 | 300 | 350 × 300 | 350 | 400 × 350 | 400 | 450 × 400 | 450 | 500 × 450 | 500 | 600 × 500 | 600 |
| 球孔d1 | 150 | 150 | 200 | 200 | 250 | 250 | 300 | 300 | 350 | 350 | 400 | 400 | 450 | 450 | 500 | 500 | 600 |
| L | 570 | 570 | 670 | 670 | 760 | 760 | 850 | 850 | 980 | 980 | 1080 | 1080 | 1220 | 1220 | 1360 | 1360 | 1750 |
| H | 219 | 219 | 273 | 273 | 360 | 360 | 395 | 395 | 430 | 430 | 470 | 470 | 550 | 550 | 580 | 580 | 700 |
| 手动 | H1 | 330 | 330 | 398 | 398 | 495 | 495 | 580 | 580 | 625 | 625 | 670 | 670 | 698 | 698 | 840 | 840 | 1050 |
| E | - | - | 116 | 116 | 116 | 116 | 171 | 171 | 171 | 171 | 257 | 257 | 257 | 257 | 257 | 257 | 150 |
| F | - | - | 350 | 350 | 350 | 350 | 400 | 400 | 420 | 420 | 400 | 400 | 420 | 420 | 400 | 400 | 410 |
| W | 1050 | 1050 | 600 | 600 | 600 | 600 | 800 | 800 | 800 | 800 | 800 | 800 | 800 | 800 | 800 | 800 | 800 |
| 电动 | H2 | 554 | 554 | 600 | 600 | 652 | 652 | 760 | 760 | 770 | 770 | 830 | 830 | - | - | 940 | 940 | 1020 |
| L1 | 235 | 235 | 235 | 235 | 235 | 235 | 259 | 259 | 400 | 400 | 400 | 400 | - | - | 410 | 410 | 410 |
| 气动 | H3 | 666 | 666 | 736 | 736 | 926 | 926 | 1059 | 1059 | 1127 | 1127 | 1393 | 1393 | 1468 | 1468 | 1538 | 1538 | 1370 |
| L2 | 776 | 776 | 736 | 736 | 776 | 776 | 1060 | 1060 | 1060 | 1060 | 1360 | 1360 | 1360 | 1360 | 1360 | 1360 | 2840 |

上兆阀门其他产品:
闸 阀 截止阀 球 阀 蝶 阀 紧急切断阀 电磁阀 水力控制阀 止回阀 刀型闸阀 旋塞阀 过滤器 减压阀 疏水阀 隔膜阀 调节阀 阻火器 呼吸阀 燃气阀门 冶金阀门