一、Q41F-16铸铁球阀--概述
Q41F-16球阀为灰铸铁材质软密封球阀,铸铁球阀应用于工作温度≤150℃的水、蒸汽等非腐蚀性介质的管路上,作启闭用;其最大的优点为启闭迅速。其实惠的价格是常温水介质管道应用较普遍的一款阀门产品。
如果要求管道压力在1.6Mpa以上,管道温度在150℃以上的,介质为水、汽、油品的工况下,请选择铸钢材质的球阀产品型号为Q41F-16C以上或Q41H系列
二、Q41F-16铸铁球阀--优点
1、流体阻力小,全通径的球阀基本没有流阻。
2、结构简单、体积小、重量轻。
3、紧密可靠。它有两个密封面,而且目前球阀的密封面材料广泛使用各种塑料,密封性好,能实现完全密封。在真空系统中也已广泛使用。
4、操作方便,开闭迅速,从全开到全关只要旋转90°,便于远距离的控制。
5、维修方便,球阀结构简单,密封圈一般都是活动的,拆卸更换都比较方便。
6、在全开或全闭时,球体和阀座的密封面与介质隔离,介质通过时,不会引起球阀密封面的侵蚀。
7、适用范围广,通径从小到几毫米,大到几米,从高真空至高压力都可应用。
8、由于球阀在启闭过程中有擦拭性,所以可用于带悬浮固体颗粒的介质中。
| 型号 | 公称压力(MPa) | 试验压力 | 工作温度( ℃ ) | 适用介质 |
| 强度 (水)(MPa) | 密封(水)(MPa) |
| Q41F-16 | 1.6 | 2.4 | 1.8 | ≤150 | 蒸汽、水 |
四、Q41F-16铸铁球阀--主要零件材料
| 零件名称 | 材料 |
| 阀体、阀盖 | 灰铸铁 |
| 球体 | 灰铸铁镀铬 |
| 密封圈 | 聚四氟乙稀 |
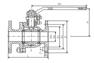
五、Q41F-16铸铁球阀--外形尺寸和连接尺寸
| 型号 | 公称通径 (mm) | 尺寸(mm) |
| L | D | D1 | D2 | b-f | Z-фd | H1 | D0 |
Q41F-10 Q41F-16 | 40 | 165 | 145 | 110 | 85 | 16-2 | 4-18 | 97 | 240 |
| 50 | 205 | 160 | 125 | 100 | 16-2 | 4-18 | 103 | 240 |
| 65 | 222 | 180 | 145 | 120 | 18-3 | 4-18 | 150 | 350 |
| 80 | 241 | 195 | 160 | 135 | 20-3 | 8-18 | 175 | 400 |
| 100 | 305 | 215 | 180 | 155 | 20-3 | 8-18 | 187 | 500 |
| 125 | 356 | 245 | 210 | 185 | 26-3 | 8-18 | 236 | 600 |
| 150 | 394 | 280 | 240 | 210 | 28-3 | 8-23 | 256 | 600 |

上兆阀门其他产品:
闸 阀 截止阀 球 阀 蝶 阀 紧急切断阀 电磁阀 水力控制阀 止回阀 刀型闸阀 旋塞阀 过滤器 减压阀 疏水阀 隔膜阀 调节阀 阻火器 呼吸阀 燃气阀门 冶金阀门