公称压力:2.5MPa 适用温度范围:-20~232℃~350℃ 适用介质:水、油、气及某些腐蚀性液体(W.O.G) 螺纹类型:G·NPT.BSPT.BSP.DIN259/2999 1000wog三通不锈钢球阀,三通球阀,不锈钢球阀

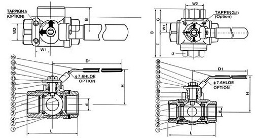
| 序号 | 零件名称 | 材质 |
| 1 | 阀体 | 不锈钢CF8M/CF8 |
| 2 | 阀盖 | 不锈钢CF8M/CF8 |
| 3 | 球 | 不锈钢CF8M/CF8 |
| 4 | 球垫 | 聚四氟乙烯PTFE |
| 5 | 阀杆 | 不锈钢CF8M/CF8 |
| 6 | 填料 | 聚四氟乙烯PTFE |
| 7 | 中口 | 聚四氟乙烯PTFE |
| 8 | 大薄片 | 聚四氟乙烯PTFE |
| 9 | 压盖螺母 | 不锈钢CF8M/CF8 |
| 10 | 手柄 | 不锈钢CF8M/CF8 |
| 11 | 流向指示牌 | ALUMINUM |
| 12 | 华司 | 不锈钢CF8 |
| 13 | 螺帽 | 不锈钢CF8 |
| 14 | 锁定装置 | 不锈钢CF8 |
| 15 | 皮套 | 塑料 |
| 16 | 盲盖 | 不锈钢CF8M/CF8 |
四、L型主要尺寸、单位mm
| SIZE | d | L | H | D1 | B | W1 | W2 | h | 重量WT(g) |
| 1/2″ | 12.7 | 64 | 53 | 97 | 32.0 | 22.4 | 35.0 | 10-24UNC | 530 |
| 3/4″ | 16.0 | 76 | 63 | 126 | 38.0 | 22.4 | 35.0 | 10-24UNC | 700 |
| 1″ | 20.0 | 87 | 66 | 126 | 43.5 | 22.4 | 35.0 | 10-24UNC | 980 |
| 11/4″ | 25.0 | 96 | 81 | 145 | 48.0 | 22.4 | 35.0 | 10-24UNC | 1950 |
| 11/2″ | 32.0 | 114 | 83 | 145 | 57.0 | 25.4 | 38.1 | 1/4-20UNC | 2950 |
| 2″ | 38.1 | 142 | 96 | 204 | 71.0 | 25.4 | 38.1 | 1/4-20UNC | 4450 |
五、Z T型主要尺寸、单位mm
| SIZE | d | L | H | D1 | B | F | G | W1 | W2 | h | 重量WT(g) |
| 1/2″ | 12.7 | 75 | 59 | 126 | 71.0 | 335 | 375 | 22.4 | 35.0 | 10-24UNC | 550 |
| 3/4″ | 16 | 85 | 64 | 126 | 81.5 | 390 | 425 | 22.4 | 35.0 | 10-24UNC | 725 |
| 1″ | 20 | 100 | 80 | 145 | 102.0 | 505 | 515 | 22.4 | 35.0 | 10-24UNC | 1000 |
| 11/4″ | 25 | 115 | 90 | 145 | 108.5 | 510 | 575 | 25.4 | 38.1 | 10-24UNC | 2000 |
| 11/2″ | 32 | 125 | 96 | 204 | 121.0 | 580 | 630 | 25.4 | 38.1 | 1/4-20UNC | 3000 |
| 2″ | 38.1 | 148 | 106 | 204 | 138.5 | 655 | 730 | 25.4 | 38.1 | 1/4-20UNC | 4650 |

上兆阀门其他产品:
闸 阀 截止阀 球 阀 蝶 阀 紧急切断阀 电磁阀 水力控制阀 止回阀 刀型闸阀 旋塞阀 过滤器 减压阀 疏水阀 隔膜阀 调节阀 阻火器 呼吸阀 燃气阀门 冶金阀门