

|
|||||||||||||||||||||||||||||||||
|
产品介绍 一、气动O型切断球阀--概述:
ZSHR系列气动O型球阀,球芯采用O型通孔,固定球式阀门阀座采用弹性补偿阀前密封,双?;じ鞘教盍虾爸?,保护阀杆在压力下不致脱出,阀内腔能自动泄压,防止阀腔内产生非正常高压,可设置防静电防火结构,阀门的流量系数大,流阻小,角行程启闭迅速。
二、气动O型切断球阀--用途:
ZSHR气动O型切断球阀适用于石油化工、冶金、制药、食品、造纸、轻纺、电力、给排水等系统,控制一切腐蚀或非腐蚀性的气体、液体介质。
三、气动O型切断球阀--阀体:
四、气动O型切断球阀--阀内组件:
五、 气动O型切断球阀--执行机构:
六、 气动O型切断球阀--阀作用型式:单作用执行机构:气关式(B)--失气时阀位开(FO);气开式(K)--失气时阀位关(FC) 双作用执行机构:气关式(B)--失气时阀位保持(FL);气开式(K)--失气时阀位保持(FL) 七、 气动O型切断球阀--附件:
电磁阀、空气过滤减压器、保位阀、行程开关、阀位传送器、手轮机构等
八、流量系数Cv值、泄露量:![]() 九、阀体材料的使用温度及压力范围:
JB/T74-94 HG20596-97 单位:MPa JIS 单位:MPa ![]() ANSI 单位:MPa 十、 阀体、阀内件标准材料组合及使用温度范围
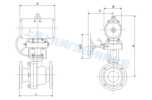
¤ R.TFE(F):二氧化钼强化聚四氟乙烯 ¤ R.TFE(C):碳纤维强化聚四氟乙烯 ¤ HCr :镀硬铬 ¤ S.S :部分堆焊司太莱合金 ![]() 十一、结构图:
![]()
十二、配用双作用执行机构PN1.6MPA 阀座材料:聚四氟乙烯 ![]() PN2.5MPA 阀座材料:聚四氟乙烯 ![]() PN4.0MPA 阀座材料:聚四氟乙烯 ![]() 十三、配用单作用执行机构PN1.6MPA 阀座材料:聚四氟乙烯 ![]() PN2.5MPA 阀座材料:聚四氟乙烯 ![]() PN4.0MPA 阀座材料:聚四氟乙烯 ![]() 外型尺寸及重量带手轮机构的整机外型尺寸(mm)及重量 ![]() 供应:切断阀 快速切断阀 煤气切断阀 燃气紧急切断阀 紧急切断阀 气动切断阀 燃气切断阀 气动紧急切断阀 液动紧急切断阀 不锈钢气动紧急切断阀 不锈钢液动紧急切断阀 手动气动紧急切断阀 手动液动紧急切断阀 电磁动紧急切断阀 氨用电磁动紧急切断阀 氨气紧急切断阀 液氨专用安全切断阀 液氨紧急切断阀 煤气紧急切断阀 煤气电磁阀 燃气紧急切断阀 液化气紧急切断阀 电磁式煤气安全切断阀 气动氧气切断阀 氧气切断阀 车用紧急切断阀 机械式车用紧急切断阀 快关抽汽止回阀 燃气专用球阀 燃气球阀 燃气截止阀 燃气止回阀 不锈钢天然气截止阀 不锈钢氨用截止阀 气动程控切断阀 内螺纹气动程控切断阀 气动抽气止回阀 液动抽气止回阀 气动程控截止阀 气动截止阀 液氨截止阀 液化气截止阀 氨气截止阀 氨用截止阀 氧气专用截止阀 氧气截止阀 限流阀 燃气限流阀 | |||||||||||||||||||||||||||||||||
相关产品 |
|||||||||||||||||||||||||||||||||