CQA-25P槽车球阀采用了单浮动球体固定封圈技术的燃气槽车专用装卸球阀,其与槽车紧急切断阀和装卸管总成配套使用,具有启闭快速,密封可靠的特点,作为控制槽车装车/卸车时介质流通和截断的装置。
法兰连接:JB/T79-94、GB9113-2000
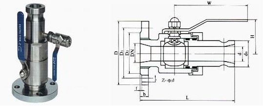
结构长度:GB12221-89
三、槽车球阀--主要零件材料
阀体 | 球体、阀杆 | 密封圈 | 填料 |
不锈钢 | 不锈钢 | 增强聚四氟乙烯 | 聚四氟乙烯 |
四、槽车球阀--主要性能参数
公称压力 | 壳体试验 | 密封试验 | 适用介质 | 适宜温度 |
2.5 | 3.75 | 2.75 | 液化气、液氨等 | -40~+80℃ |
4.0 | 6.0 | 4.4 |
五、槽车球阀--性能规范
公称压力PN | 1.6 | 2.5 | MPa |
壳体试验压力 | 2.4 | 3.75 |
气密封试验压力 | 1.76 | 2.75 |
低压气密封试验压力 | 0.5~0.7 |
适用介质 | 液化气、液氨 |
适用温度 | -40~+80℃ |
PN | DN | d | L | H | D | D1 | D2 | b | f | Z-фd | W |
2.5MPa | 25 | 22 | 194 | 78 | 115 | 85 | 65 | 16 | 2 | 4-14 | 150 |
2.5MPa | 50 | 46 | 230 | 88 | 160 | 125 | 100 | 20 | 3 | 4-18 | 180 |

上兆阀门其他产品:
闸 阀 截止阀 球 阀 蝶 阀 紧急切断阀 电磁阀 水力控制阀 止回阀 刀型闸阀 旋塞阀 过滤器 减压阀 疏水阀 隔膜阀 调节阀 阻火器 呼吸阀 燃气阀门 冶金阀门