1、J41Y高中压系列铬钼钢截止阀适用于高温的蒸汽、油品管道上,具有耐高温特点。
2、全关 时手轮按顺时针方向旋转;
3、可以安装在管道的任何位置上,介质从下往上流。
4、铬钼钢截止阀表面喷深蓝色漆,法兰部分留白。也可按客户喷涂包装。
| 型号: | J41Y-6I/25I/40I/64I/100I/160I | 口径: | DN15-DN500 |
| 压力: | 1.6MPA-16MPA | 材质: | 铬钼钢、铬钼钒钢 |
| 公称压力PN(MPa) | 1.6 | 2.5 | 4.0 | 6.4 | 10.0 | 16.0 |
| 壳体强度试验 | 2.4 | 3.8 | 6.0 | 9.6 | 15 | 24 |
| 上密封试验 | 1.8 | 2.8 | 4.4 | 7.0 | 11 | 18 |
| 密封试验 | 1.8 | 2.8 | 4.4 | 7.0 | 11 | 18 |
| 产品类型 | 适用介质 | 适用温度(℃) |
| J41Y-C型 | 水、蒸汽、油品 | ≤425℃ |
| J41Y-I型 | 水、蒸汽、油品 | ≤550℃ |
| 产品类型 | 零件名称 |
| 阀体、阀盖 | 阀杆 | 阀瓣 | 密封面 | 阀杆螺母 | 填料 | 紧固件 | 手轮 |
| J41Y-C型 | 25、WCB | 铬不锈钢 | 2Cr1325 | 钴基硬质合金钢 | 铝青铜 | 柔性石墨 | 优质碳钢 | 可锻铸铁 |
| J41Y-I型 | 铬钼钢 | 铬钼钢 | 合金钢 | 钴基硬质合金钢 | 铝青铜 | 柔性石墨 | 合金钢 | 可锻铸铁 |
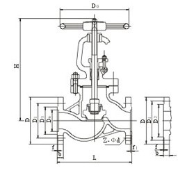
六、J41Y-16型主要尺寸和重量
| 公称通径DN | 主要外形尺寸和连接尺寸(mm) | 重量(kg) |
| L | D | D1 | D2 | b | f | z-d | H | D0 |
| J41Y-16C J41Y-16I J41H-16 J41H-16I |
| 10 | 130 | 90 | 60 | 40 | 14 | 2 | 4-14 | 198 | 120 | 4.7 |
| 15 | 130 | 95 | 65 | 45 | 16 | 2 | 4-14 | 218 | 120 | 5.2 |
| 20 | 150 | 105 | 75 | 55 | 16 | 2 | 4-14 | 258 | 140 | 7.1 |
| 25 | 160 | 115 | 85 | 65 | 16 | 2 | 4-14 | 275 | 160 | 7.4 |
| 32 | 180 | 135 | 100 | 78 | 18 | 2 | 4-18 | 280 | 180 | 8.5 |
| 40 | 200 | 145 | 110 | 85 | 18 | 3 | 4-18 | 330 | 200 | 12.5 |
| 50 | 230 | 160 | 125 | 100 | 18 | 3 | 4-18 | 350 | 240 | 20 |
| 65 | 290 | 180 | 145 | 12 | 18 | 3 | 4-18 | 400 | 280 | 25 |
| 80 | 310 | 195 | 160 | 135 | 20 | 3 | 8-18 | 355 | 280 | 35 |
| 100 | 350 | 215 | 180 | 155 | 22 | 3 | 8-18 | 415 | 320 | 50 |
| 125 | 400 | 245 | 210 | 185 | 24 | 3 | 8-18 | 460 | 360 | 75 |
| 150 | 480 | 280 | 240 | 210 | 24 | 3 | 8-23 | 510 | 400 | 100 |
| 200 | 600 | 335 | 295 | 265 | 26 | 3 | 12-23 | 710 | 400 | 210 |
| 250 | 650 | 405 | 355 | 320 | 30 | 3 | 12-23 | 786 | 450 | 446 |
| 300 | 750 | 460 | 410 | 375 | 30 | 3 | 12-23 | 925 | 500 | 648 |
七、J41Y-25型主要尺寸及重量
| 公称通径DN | J41Y-25 J41Y-25I J41H-25 J41H-25I |
| 主要外形尺寸和连接尺寸(mm) | 重量(kg) |
| L | D | D1 | D2 | b | f | z-d | H | D0 | 手动 |
| 10 | 130 | 90 | 60 | 4 | 16 | 2 | 4-14 | 198 | 120 | 4.9 |
| 15 | 130 | 95 | 65 | 45 | 16 | 2 | 4-14 | 218 | 120 | 5.4 |
| 20 | 150 | 105 | 75 | 55 | 16 | 2 | 4-14 | 258 | 140 | 7 |
| 25 | 160 | 115 | 85 | 65 | 16 | 2 | 4-14 | 275 | 160 | 7.4 |
| 32 | 180 | 135 | 100 | 78 | 18 | 2 | 4-18 | 280 | 180 | 8.5 |
| 40 | 200 | 145 | 110 | 85 | 18 | 3 | 4-18 | 330 | 200 | 12.5 |
| 50 | 230 | 160 | 125 | 100 | 20 | 3 | 4-18 | 350 | 240 | 16 |
| 65 | 290 | 180 | 145 | 120 | 22 | 3 | 8-18 | 400 | 280 | 25 |
| 80 | 310 | 195 | 160 | 135 | 22 | 3 | 8-18 | 355 | 280 | 30 |
| 100 | 350 | 230 | 190 | 160 | 24 | 3 | 8-23 | 415 | 320 | 34.5 |
| 125 | 40 | 270 | 220 | 188 | 28 | 3 | 8-25 | 460 | 360 | 89 |
| 15 | 480 | 300 | 250 | 218 | 30 | 3 | 8-25 | 510 | 400 | 98 |
| 200 | 600 | 360 | 310 | 278 | 34 | 3 | 12-25 | 710 | 400 | 180 |
| 250 | 650 | 425 | 370 | 332 | 36 | 3 | 12-30 | 786 | 450 | 446 |
| 300 | 750 | 485 | 430 | 390 | 40 | 4 | 12-30 | 925 | 500 | 654 |
八、J41Y-40型主要尺寸和重量
| 公称通径DN | J41Y-40C J41Y-40I J41H-40 J41H-40I |
| 主要外形尺寸和连接尺寸(mm) | 重量(kg) |
| L | D | D1 | D2 | D6 | b | f | f2 | z-d | H | D0 | 手动 |
| 10 | 130 | 90 | 60 | 40 | 35 | 16 | 2 | 4 | 4-14 | 198 | 120 | 4.9 |
| 15 | 130 | 95 | 65 | 45 | 40 | 16 | 2 | 4 | 4-14 | 233 | 120 | 5.4 |
| 20 | 15 | 15 | 75 | 55 | 51 | 16 | 2 | 4 | 4-14 | 275 | 140 | 7 |
| 25 | 160 | 115 | 85 | 65 | 58 | 16 | 2 | 4 | 4-14 | 285 | 160 | 8.8 |
| 32 | 180 | 135 | 100 | 78 | 66 | 18 | 2 | 4 | 4-18 | 302 | 180 | 11.8 |
| 40 | 200 | 145 | 110 | 85 | 76 | 18 | 3 | 4 | 4-18 | 355 | 200 | 16.5 |
| 50 | 230 | 160 | 125 | 100 | 88 | 20 | 3 | 4 | 4-18 | 373 | 240 | 24 |
| 65 | 290 | 180 | 145 | 120 | 110 | 22 | 3 | 44 | 8-18 | 408 | 280 | 33 |
| 80 | 310 | 195 | 160 | 135 | 121 | 22 | 3 | 4 | 8-18 | 436 | 320 | 44 |
| 100 | 350 | 230 | 190 | 160 | 15 | 24 | 3 | 4.5 | 8-23 | 480 | 360 | 60 |
| 125 | 400 | 270 | 220 | 188 | 176 | 28 | 3 | 4.5 | 8-25 | 558 | 400 | 89 |
| 150 | 480 | 300 | 250 | 218 | 204 | 30 | 3 | 4.5 | 8-25 | 611 | 400 | 98 |
| 200 | 600 | 375 | 320 | 282 | 260 | 38 | 3 | 4.5 | 12-30 | 720 | 400 | 190 |
九、J41Y-64型、J41Y-100型J41Y-160型主要尺寸及重量
| 公称通径DN | 主要外形尺寸和连接尺寸(mm) | 重量(kg) |
| L | D | D1 | D2 | D6 | b | f | f2 | z-d | H | D0 | 手动 |
| J41Y-64C J41Y-64I J41H-64 J41H-64I | |
| 10 | 170 | 100 | 70 | 50 | 35 | 18 | 2 | 4 | 4-14 | 198 | 120 | 5.7 |
| 15 | 170 | 105 | 75 | 55 | 41 | 18 | 2 | 4 | 4-14 | 195 | 140 | 10 |
| 20 | 190 | 125 | 90 | 68 | 51 | 20 | 2 | 4 | 4-18 | 228 | 160 | 13 |
| 25 | 210 | 135 | 100 | 78 | 58 | 22 | 2 | 4 | 4-18 | 275 | 180 | 14.5 |
| 32 | 230 | 150 | 110 | 82 | 66 | 24 | 2 | 4 | 4-23 | 325 | 200 | 19 |
| 40 | 260 | 165 | 125 | 95 | 76 | 24 | 3 | 4 | 4-23 | 360 | 240 | 25 |
| 50 | 300 | 175 | 135 | 105 | 88 | 26 | 3 | 4 | 8-23 | 410 | 280 | 35 |
| 65 | 340 | 200 | 160 | 130 | 110 | 28 | 3 | 4 | 8-23 | 450 | 320 | 48 |
| 80 | 380 | 210 | 170 | 140 | 121 | 30 | 3 | 4 | 8-23 | 485 | 360 | 56 |
| 100 | 430 | 250 | 200 | 168 | 150 | 32 | 3 | 4 | 8-25 | 537 | 400 | 125 |
| 125 | 500 | 295 | 240 | 202 | 176 | 36 | 3 | 4 | 8-30 | 631 | 400 | 131 |
| 150 | 550 | 340 | 280 | 240 | 204 | 38 | 3 | 4 | 8-34 | 646 | 450 | 157 |
| 200 | 650 | 405 | 345 | 300 | 260 | 44 | 3 | 4 | 12-34 | 813 | 500 | 283 |
| J41Y-100C J41Y-100I J41H-100 J41H-100I | |
| 10 | 170 | 100 | 70 | 50 | 35 | 20 | 2 | 4 | 4-14 | 198 | 120 | 6 |
| 15 | 170 | 105 | 75 | 55 | 40 | 20 | 2 | 4 | 4-14 | 202 | 140 | 11 |
| 20 | 190 | 125 | 90 | 68 | 51 | 22 | 2 | 4 | 4-18 | 228 | 160 | 13.2 |
| 25 | 210 | 135 | 100 | 78 | 58 | 24 | 2 | 4 | 4-18 | 250 | 180 | 14 |
| 32 | 230 | 150 | 110 | 82 | 66 | 24 | 2 | 4 | 4-23 | 326 | 220 | 15 |
| 40 | 260 | 165 | 125 | 95 | 76 | 26 | 3 | 4 | 4-23 | 359 | 240 | 29 |
| 50 | 300 | 195 | 145 | 112 | 88 | 28 | 3 | 4 | 4-25 | 414 | 280 | 49 |
| 65 | 340 | 220 | 170 | 138 | 110 | 32 | 3 | 4 | 8-25 | 434 | 320 | 65 |
| 80 | 380 | 230 | 180 | 148 | 121 | 34 | 3 | 4 | 8-25 | 547 | 400 | 95 |
| 100 | 430 | 265 | 210 | 172 | 150 | 38 | 3 | 4.5 | 8-30 | 621 | 450 | 115 |
| 125 | 500 | 310 | 250 | 210 | 176 | 42 | 3 | 4.5 | 8-34 | 732 | 450 | 149 |
| 150 | 550 | 350 | 290 | 250 | 204 | 46 | 3 | 4.5 | 12-34 | 84 | 500 | 310 |
| 200 | 650 | 430 | 360 | 312 | 260 | 54 | 3 | 4.5 | 12-41 | 925 | 550 | 590 |
| J41Y-160C J41Y-160I J41H-160 J41H-160I | |
| 15 | 170 | 110 | 75 | 52 | 40 | 24 | 2 | 4 | 4-18 | 148 | 140 | 12.2 |
| 20 | 190 | 130 | 90 | 65 | 51 | 26 | 2 | 4 | 4-23 | 156 | 160 | 15 |
| 25 | 210 | 140 | 100 | 72 | 58 | 28 | 2 | 4 | 4-23 | 125 | 180 | 17 |
| 32 | 230 | 165 | 115 | 85 | 66 | 30 | 2 | 4 | 4-25 | 200 | 200 | 21.4 |
| 40 | 260 | 175 | 125 | 92 | 76 | 32 | 3 | 4 | 4-27 | 231 | 240 | 32 |
| 50 | 300 | 215 | 165 | 132 | 88 | 36 | 3 | 4 | 8-25 | 262 | 250 | 52 |
| 65 | 340 | 245 | 190 | 152 | 110 | 44 | 3 | 4 | 8-30 | 303 | 320 | 69 |
| 80 | 380 | 260 | 205 | 168 | 121 | 46 | 3 | 4 | 8-30 | 341 | 400 | 98 |
| 100 | 430 | 300 | 240 | 200 | 150 | 48 | 3 | 4.5 | 8-34 | 485 | 450 | 119 |

上兆阀门其他产品:
闸 阀 截止阀 球 阀 蝶 阀 紧急切断阀 电磁阀 水力控制阀 止回阀 刀型闸阀 旋塞阀 过滤器 减压阀 疏水阀 隔膜阀 调节阀 阻火器 呼吸阀 燃气阀门 冶金阀门