全国qq二维码叫小妹,200元3小时不限次二维码,全国高端商务接待私人预约,3小时上门100元

销售热线:021-66105556
您现在的位置:网站首页 -> 蝶阀 -> XD371X-10信号蝶阀

XD371X-10 信号蝶阀

信号蝶阀
所属系列:蝶阀系列
检索关键字:信号蝶阀,XD371X,蝶阀
销售电话:021-66105556
图文传真:021-63061811
在线客服:点击这里给我发消息 点击这里给我发消息

感谢您向我们发出订单我们会在最短时间与您联系

产品介绍

一、XD371X-10信号蝶阀--概述

 

本公司生产的XD371X-10信号蝶阀可明白无误的显示出阀门开关状态,具有直观、清晰、可靠的反映出消防系统中的工作状态,所以广泛、大量的适用于消防系统中。

 

二、XD371X-10信号蝶阀--主要零件材料

 

序号 零件名称 材质 序号 零件名称 材质
1 阀体 球铁、铸钢 7 密封圈 NBR.EPDM
2 阀轴 SUS410/SUS316 8 圆垫片 SUS316/黄铜
3 蝶板 球铁喷塑、不锈钢 9 对开环 SUS316/黄铜
4 阀座 EPDM,PTEE 10 挡圈 弹簧钢
6 衬套 青铜、聚四氟乙烯      

 

三、XD371X-10信号蝶阀--主要技术参数

 

公称通径 公称压力 工作温度 密封试验 轻度试验 适用介质
DN50-400mm 1.0/1.6/2.5Mpa -10℃-80℃ 1.1倍公称压力 1.5倍公称压力 水、油、气

 

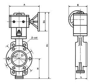
四、XD371X-10信号蝶阀--主要外形连接尺寸

 

DN 50 65 80 100 125 150 200 250 300 350 400
H 268 287 309 342 376 410 495 565 849 985 1109
H1 70 76 86 104 118 132 167 198 239 267 309
L1 43 46 46 52 56 56 60 68 68 78 102
L1 32 47 65 91 112 146 194 242 292 325 380
L3 245 245 245 245 245 245 400 400 400 400 431
Ф1 152 152 152 152 152 152 300 300 305 305 290

 

 

 


上兆阀门其他产品:


闸 阀  截止阀  球 阀  蝶 阀  紧急切断阀   电磁阀   水力控制阀   止回阀   刀型闸阀    旋塞阀  过滤器   减压阀  疏水阀  隔膜阀  调节阀  阻火器  呼吸阀  燃气阀门  冶金阀门




相关产品