一、气动对夹式软密封蝶阀--概述
D671X气动对夹式软密封蝶阀结构紧凑,90°回转开关轻松,密封可靠,使用寿命长,被广泛用于水厂、电厂、钢厂、造纸、化工、饮食等系统供排水中,作为调节和截止使用。
1、D671X 气动对夹式软密封蝶阀采用双偏心结构,具有越关越紧的密封功能,密封性能可靠。
2、密封副材料选用不锈钢和丁腈耐油橡胶配对,使用寿命长。
3、橡胶密封圈即可位于阀体上,也可以位于蝶板上,可适用不同特点的介质,供用户选择。
4、蝶板采用框架结构,强度高,过流面积大,流阻小。
5、整体烤漆、能有效地防止锈蚀且只要更换密封阀座密封材料,就可使用于不同介质。
6、本阀具有双向密封功能,安装时不受介质流向的控制,也不受空间位置的影响,可在任何方向安装。
7、本阀结构独特,操作灵活,省力,方便。
| 制造标准 | GB/T 122387-89 |
| 法兰标准 | GB9113-2000、GB17241.6-1998 |
| 结构长度标准 | GB12221-89 |
| 检验标准 | GB/T 13927-92 |
| 公称通经DN(mm) | 50~2000 | 50~1600 |
| 公称药理PN(MPa) | 0.6 | 1.0 | 1.6 |
| 密封试验(MPa) | 0.66 | 1.1 | 1.76 |
| 强度试验(MPa) | 0.9 | 1.5 | 2.4 |
| 适用温度 | 丁腈橡胶:-40℃~90℃氟橡胶:-20℃~200℃ |
| 适用介质 | 水、空气、天然气、油品及弱腐蚀性流体 |
| 泄漏率 | 符合GB/T13927-92标准 |
| 驱动方式 | 蜗轮传动、电动、气动、液动 |
五、主要零部件材料
| 零件名称 | 材料 |
| 阀体 | WCB、QT450-10、HT200、HT250 |
| 蝶板 | WCB、QT450-10、HT200、HT250 |
| 阀轴 | 2Cr13 |
| 密封圈 | 丁腈耐油橡胶 |
| 填料 | 柔性石墨 |
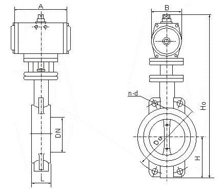
六、主要外形连接尺寸
| DN | L | H | HO | A | B | 0.6MPa | 1.0MPa | 1.6MPa |
| DO | n-d | DO | n-d | DO | n-d |
| 50 | 43 | 63 | 306 | 180 | 200 | 110 | 4-14 | 125 | 4-18 | 125 | 4-18 |
| 65 | 46 | 70 | 321 | 180 | 200 | 130 | 4-14 | 145 | 4-18 | 145 | 4-18 |
| 80 | 46 | 83 | 346 | 180 | 200 | 150 | 4-18 | 160 | 8-18 | 160 | 8-18 |
| 100 | 52 | 105 | 387 | 180 | 200 | 170 | 4-18 | 180 | 8-18 | 180 | 8-18 |
| 125 | 56 | 115 | 411 | 180 | 200 | 200 | 8-18 | 210 | 8-18 | 210 | 8-18 |
| 150 | 56 | 137 | 447 | 270 | 280 | 225 | 8-18 | 240 | 8-22 | 240 | 8-22 |
| 200 | 60 | 164 | 572 | 270 | 280 | 280 | 8-18 | 295 | 8-22 | 295 | 8-22 |
| 250 | 68 | 206 | 646 | 270 | 280 | 335 | 12-18 | 350 | 12-22 | 355 | 12-26 |
| 300 | 78 | 230 | 738 | 380 | 420 | 395 | 12-22 | 400 | 12-22 | 410 | 12-26 |
| 350 | 78 | 248 | 761 | 380 | 420 | 445 | 12-22 | 460 | 16-22 | 470 | 16-26 |
| 400 | 102 | 289 | 877 | 450 | 470 | 495 | 16-22 | 515 | 16-26 | 525 | 16-30 |
| 450 | 114 | 320 | 938 | 480 | 490 | 550 | 16-22 | 565 | 20-26 | 585 | 20-30 |
| 500 | 127 | 343 | 993 | 480 | 490 | 600 | 20-22 | 620 | 20-26 | 650 | 20-33 |
| 600 | 154 | 413 | 1131 | 480 | 490 | 705 | 20-26 | 725 | 20-30 | 770 | 20-36 |
| 700 | 165 | 478 | 1476 | 640 | 660 | 810 | 24-26 | 840 | 24-30 | 840 | 24-36 |
| 800 | 190 | 525 | 1533 | 640 | 660 | 920 | 24-30 | 950 | 24-33 | 950 | 24-39 |
| 900 | 203 | 585 | 1655 | 750 | 860 | 1020 | 24-30 | 1050 | 28-33 | 1050 | 38-39 |
| 1000 | 216 | 640 | 1765 | 850 | 900 | 1120 | 28-30 | 1160 | 28-36 | 1170 | 28-42 |
| 1200 | 254 | 755 | 1995 | 850 | 900 | 1340 | 32-33 | 1380 | 32-39 | 1390 | 32-48 |
.jpg)
.jpg)
上兆阀门其他产品:
闸 阀 截止阀 球 阀 蝶 阀 紧急切断阀 电磁阀 水力控制阀 止回阀 刀型闸阀 旋塞阀 过滤器 减压阀 疏水阀 隔膜阀 调节阀 阻火器 呼吸阀 燃气阀门 冶金阀门