

|
||
|
产品介绍 一、ZCZG高温电磁阀--概述
ZCZG高温电磁阀用于各种中温、高温、常压、高压场合,适用于中高温热水、高温蒸汽、饱和蒸汽、过热蒸汽及导热油等管路的自动控制;广泛应用于窑炉设备、干燥设备、石油化工、生物制药、暖通空调、电镀涂装、橡塑机械、食品饮料、造纸、印染及电力矿业等行业,是自动化控制工程、项目改造及设备配套的首选产品。
二、ZCZG高温电磁阀--规格与型号
三、ZCZG高温电磁阀--技术参数
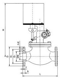
四、ZCZG高温电磁阀--安装尺寸
五、ZCZG高温电磁阀--安装说明
1.ZCZG高温电磁阀安装前应仔细阅读产品的使用说明书,查核产品是否完全符合使用要求,熟悉安装要点,做好准备工作。 2.安装时ZCZG高温高压电磁阀线圈向上,并保持垂直位置,ZCZG高温高压电磁阀上箭头或标记应与管道流向一致,不得安装在有溅水或漏水的地方。 3.接管之前用0.3MPa的压力对管道充分冲洗,把管道中的金属粉末密封材料残留,锈垢等完全清除;ZCZG高温高压电磁阀的工作介质应清洁无颗粒; 杂质,建议阀前安装过滤器,蒸汽管路安装疏水阀;进水电磁阀内件表面上的污物及过滤器,须定期清洁干净。 4.在ZCZG高温高压电磁阀发生故障时,为了及时隔离ZCZG高温高压电磁阀,并保证系统正常运行,最好安装旁路装置。 5.不要将ZCZG高温高压电磁阀安装于管道低凹处,以免蒸汽冷凝水,杂质等沉淀在阀内而妨碍动作。 6.普通型ZCZG高温高压电磁阀不可在易燃易爆危险场合使用。 7.在管道刚性不足情况下,建议把ZCZG高温高压电磁阀阀前后管子用支架固定,以防ZCZG高温高压电磁阀工作时引起振动。 8.ZCZG高温高压电磁阀前后管道上需装压力表,以便观察。
上兆阀门其他产品: 闸 阀 截止阀 球 阀 蝶 阀 紧急切断阀 电磁阀 水力控制阀 止回阀 刀型闸阀 旋塞阀 过滤器 减压阀 疏水阀 隔膜阀 调节阀 阻火器 呼吸阀 燃气阀门 冶金阀门 | ||
相关产品 |
||