一、产品概述
DMF-0.5型电磁式煤气安全阀是一种切断装置,它由密封蝶阀和电磁式启动器二大部分组成,对以煤气为燃料的各种工业炉窑,保证安全不可缺少的重要设备。本阀具有结构简单、动作可靠、维护方便、价格低廉,并具有如下功能:煤气低压和空气低压报警,断电时快速切断,始终点阀位信号等。
二、主要性能参数
公称压力PN:0.05Mpa
泄漏量:零泄漏
电源电压:220V.AC50HZ
温度范围:-20~180℃
切断时间:<1.5S
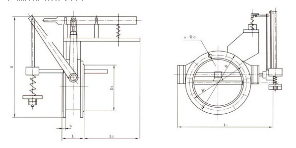
三、产品外形结构尺寸
DMF-0.5型电磁式煤气安全阀外形结构尺寸(mm)| DN | D1 | D | D2 | L | L1 | L2 | H | B | n-φd |
| 100 | 170 | 205 | 145 | 120 | 360 | 250 | 460 | 10 | 4-12 |
| 150 | 225 | 260 | 200 | 145 | 510 | 250 | 510 | 14 | 8-18 |
| 200 | 280 | 315 | 252 | 145 | 410 | 250 | 565 | 14 | 8-18 |
| 250 | 335 | 370 | 310 | 180 | 520 | 280 | 620 | 16 | 12-18 |
| 300 | 395 | 435 | 362 | 180 | 580 | 300 | 670 | 16 | 12-23 |
| 350 | 445 | 485 | 412 | 180 | 630 | 300 | 720 | 16 | 12-23 |
| 400 | 495 | 535 | 462 | 200 | 680 | 300 | 770 | 20 | 16-23 |
| 450 | 550 | 590 | 518 | 250 | 740 | 300 | 820 | 20 | 16-23 |
| 500 | 600 | 640 | 570 | 250 | 780 | 300 | 860 | 22 | 16-23 |
| 600 | 705 | 755 | 670 | 270 | 895 | 320 | 960 | 22 | 20-25 |
| 700 | 810 | 860 | 775 | 270 | 1010 | 400 | 1060 | 22 | 24-25 |
| 800 | 920 | 975 | 880 | 270 | 1125 | 400 | 1150 | 22 | 24-30 |
| 900 | 1020 | 1075 | 980 | 270 | 1225 | 400 | 1250 | 24 | 24-30 |
| 1000 | 1120 | 1175 | 1080 | 300 | 1345 | 500 | 1360 | 24 | 28-30 |
| 1200 | 1340 | 1400 | 1295 | 300 | 1525 | 500 | 1500 | 24 | 32-34 |
| 1400 | 1560 | 1620 | 1510 | 300 | 1775 | 500 | 1800 | 24 | 36-34 |
| 1600 | 1760 | 1820 | 1710 | 350 | 1990 | 700 | 2100 | 24 | 40-41 |
| 1800 | 1970 | 2045 | 1970 | 350 | 2190 | 700 | 2350 | 24 | 40-41 |
| 2000 | 2180 | 2265 | 2110 | 350 | 2390 | 700 | 2600 | 24 | 48-48 |
注:1.与本阀配套的还有DCK-1型按制器,如用户需要请注明,用户也可自行设计控制回路。
2.选用时请注明:电磁式启动器电压、温度、压力等,特殊要求如防爆.户外等请注明。 

上兆阀门其他产品:
闸 阀 截止阀 球 阀 蝶 阀 紧急切断阀 电磁阀 水力控制阀 止回阀 刀型闸阀 旋塞阀 过滤器 减压阀 疏水阀 隔膜阀 调节阀 阻火器 呼吸阀 燃气阀门 冶金阀门