一、 产品特点: F43CX手动扇形眼镜阀又名手动扇形盲板阀、手动翻板阀、手动扇形阀,为长结构系列,在右阀体上设有伸缩器,用于较长管路中(注:不能作为管路的补偿器),可以补偿阀门启闭过程中产生的阀体轴向位移,减小阀门的启闭力矩。根据大口径阀门的特点,阀体设计成三角形结构,加强了阀门的整体刚性。橡胶密封圈分别安装在左、右阀体上。
二、主要性能指标:
公称压力MPa | 0.25 | 0.15 | 0.10 | 0.05 |
密封试验压力MPa | 0.275 | 0.165 | 0.11 | 0.055 |
强度试验压力MPa | 0.40 | 0.225 | 0.15 | 0.075 |
适用温度℃ | 丁腈橡胶 | 硅橡胶 | 氟橡胶 |
<120 | <250 | <300 |
适用介质 | 煤气等有毒、有害、易燃气体 |
采用标准 | 连接法兰尺寸符合JB/T81-94标准,检测方法符合GB/T13927-92标准 |
主要零部件材料 | 阀体、闸板为碳钢;连接轴、伸缩器为碳钢或不锈钢;密封圈为橡胶 |
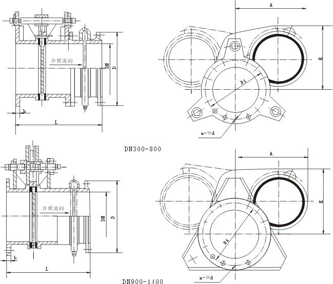
三、主要外形连接尺寸:

DN | D | D1 | b | n-φd | 长系列 L |
200 | 320 | 280 | 14 | 8-φ18 | 500 |
250 | 375 | 335 | 14 | 12-φ18 | 500 |
300 | 440 | 395 | 16 | 12-φ22 | 500 |
350 | 490 | 445 | 16 | 12-φ22 | 500 |
400 | 540 | 495 | 16 | 16-φ22 | 600 |
450 | 595 | 550 | 20 | 16-φ22 | 600 |
500 | 645 | 600 | 20 | 20-φ22 | 600 |
600 | 755 | 705 | 20 | 20-φ26 | 600 |
700 | 860 | 810 | 20 | 24-φ26 | 600 |
800 | 975 | 920 | 22 | 24-φ30 | 600 |
900 | 1075 | 1020 | 22 | 24-φ30 | 630 |
1000 | 1175 | 1120 | 22 | 28-φ30 | 630 |
1200 | 1375 | 1320 | 22 | 32-φ30 | 750 |
1400 | 1575 | 1520 | 26 | 36-φ30 | 750 |
1500 | 1675 | 1620 | 26 | 36-φ30 | 750 |
1600 | 1790 | 1730 | 26 | 40-φ30 | 750 |
1800 | 1990 | 1930 | 26 | 44-φ30 | 750 |
2000 | 2190 | 2130 | 26 | 48-φ30 | 750 |
五、操作方法及注意事项:
1、用扳手依次逆时针旋动三个连接螺杆,使阀体与闸板分离并有均衡,适量的间隙(16mm左右)。确认后转动闸板到工作位置,反向旋动连接螺杆,使闸板与阀体紧密接触,达到绝对密封的目的。
2、橡胶密封圈不得与阀体粘连或发生硬摩擦,以防止损坏橡胶密封圈,破坏阀门的工作性能。
3、左右阀体松开时,介质要外溢,为确保安全,应在关闭时,请先关闭眼镜阀前的煤气蝶阀,同时请采用通风和其它能保证安全的措施。
上兆阀门其他产品:
闸 阀 截止阀 球 阀 蝶 阀 紧急切断阀 电磁阀 水力控制阀 止回阀 刀型闸阀 旋塞阀 过滤器 减压阀 疏水阀 隔膜阀 调节阀 阻火器 呼吸阀 燃气阀门 冶金阀门