30D01自力式(阀后)压力控制阀,由控制阀门、执行器和一个设定压力的弹簧组成。适用于非腐蚀性的液体、气体和蒸汽,在系统管道中起阀后压力控制的作用,当阀后压力升高时,控制阀关闭。
控制阀参数说明:
阀内件特点:
1、内置波纹管,具有压力平衡结构,灵敏度高
2、结构紧凑,性能可靠,免于维护
3、采用标准模块化设计
4、通过组合件,可以进行多项组合控制
阀体类型: 直通式
阀盖形式: 标准型
散热型
流量特性: 快开
口径范围: DN15-300(1/2”-12”)
压力等级: PN1.6、4.0Mpa(ANSI 150、300LB)
泄漏等级: ASME B16.104 Ⅴ(软密封)
ASME B16.104 Ⅳ(硬密封)
管道连接方式: 法兰式
设定值偏差: ±8%
适用温度范围: -30° ~ 350°
执行机构类型: 薄膜式执行机构(自力式)
活塞式执行机构(自力式)
| 技术参数 |
| 公称通径 | DN15、20、25、32、40、50、65、80、100、125、200、250mm |
| 公称压力 | PN1.6、4.0MPa |
| 法兰标准 | ANSl、JIS、DIN、GB、JB(特殊可按用户提供) |
| 阀体材料 | 铸铁【HT200)、铸钢(ZG230-450)、铸不锈钢(ZGICrl18Ni9Ti、ZGICr18Ni12Mo2Ti) |
| 阀芯材料 | 硬密封:不锈钢 (1Cr18ni9Ti、1Cr18Ni12MoTi) |
| 软密封:不锈钢镶嵌橡胶圈 |
| 压力平衡 | 不锈钢波纹管( DN15-125)、平衡膜片( DN150-250) |
| 执行器 |
| 有效面积(cm2) | 32 | 80 | 250 | 630 |
| 压力设定范围(MPa) | 0.8-1.6 | 0.1-0.6 | 0.015-0.15 | 0.005-0.035 |
| 0.3-1.2 | 0.05-0.3 | 0.01-0.07 |
| 保证压力阀正常工作的最小压差 P | ≥0.05 | ≥ 0.04 | ≥ 0.01 | ≥0.005 |
| 允许上下膜室之闻最大压差(MPa) | 2.0 | 1.25 | 0.4 | 0.15 |
| 材料 | 膜盖:钢板镀锌 膜片:EPDM或FKM夹纤维 |
| 控制管线、接头 | 铜管或钢管 10X1 (mm) 卡套式接头:R1/4" |
| 注 :该有效面积所对应的压力设定范围不适用于DN150-250 |
| 性能 |
| 设定值偏差 | ±8% |
| 允许泄漏量(在规定实验条件下) | 硬密封 | 4x0.01%阀额定容量 |
| 软密封 | DN15-50 | DN65-125 | DN150-250 |
| ≥0.05 | 10气泡/min | 20气泡/min | 40气泡/min |
| 允许工作温度 |
| 公称通径 |
| 15-125mm | 150-250mm |
| 密封型式 | 硬密封 | ≤150℃ | ≤140℃ |
| 冷却罐≤200℃ | 冷却罐和加长≤200℃ |
| 冷却罐和散热≤200℃ | 冷却罐和加长≤200℃ |
| 软密封 | ≤150℃ |
| 注※表示该阀允许工作温度,仅当介质为蒸汽式有效.且耐温之至350摄氏度需选用PN40的阀体 |
| 额定流量系数、噪音衡量系数、允许压差 |
| 公称通径DN(mm) |
| 15 | 20 | 25 | 32 | 40 | 50 | 65 | 80 | 100 | 125 | 150 | 200 | 250 |
| 额定流量系数KvS |
| 4 | 6.3 | 8 | 16 | 20 | 32 | 50 | 80 | 125 | 160 | 280 | 320 | 450 |
| 噪音衡量系数Z值 |
| 0.6 | 0.6 | 0.6 | 0.55 | 0.55 | 0.5 | 0.5 | 0.45 | 0.4 | 0.35 | 0.3 | 0.2 | 0.2 |
| 允许压差( Mpa) | PN16 | 1.6 | 1.5 | 1.2 | 1.0 |
| PN40 | 2.0 |
注※表示该阀允许工作温度,仅当介质为蒸汽式有效.且耐温之至350摄氏度需选用PN40的阀体

| 结构简图 | | 1 | 2 | 3 | 4 | 5 | 6 | 7 | 8 | 9 | 10 | 11 | 12 | | 阀体 | 阀座 | 阀轴 | 阀盖 | 膜盖 | 膜片 | 弹簧 | 调节螺母 | 导压管 | 波纹管 | 平衡膜片 | 充注阀 |
|
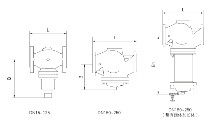
安装尺寸:

| 控制阀尺寸及重量(见图1-3) |
| DN(mm) | 15 | 20 | 25 | 32 | 40 | 50 | 65 | 80 | 100 | 125 | 150 | 200 | 250 |
| L(mm) | 130 | 150 | 160 | 180 | 200 | 230 | 290 | 310 | 350 | 400 | 480 | 600 | 730 |
| B(mm) | 212 | 212 | 238 | 238 | 240 | 240 | 275 | 275 | 380 | 380 | 326 | 354 | 404 |
| 重量(KG) | 6.2 | 6.7 | 9.7 | 13 | 14 | 17 | 29 | 33 | 60 | 70 | 80 | 140 | 220 |
| B1(mm) | - | - | - | - | - | - | - | - | - | - | 630 | 855 | 1205 |
| 重量(KG) | - | - | - | - | -- | - | - | - | - | - | 140 | 210 | 300 |
| 执行器尺寸及重量(见图4) |
| 有效面积(cm2) | 32 | 80 | 250 | 630 |
| R(mm) | 172 | 172 | 263 | 380 |
| H(mm) | 435 | 430 | 470 | 520 |
| 重量(KG) | 7.5 | 7.5 | 13 | 28 |
型号编制说明:
| SZ |
| -300 |
| -ZY |
| -D01 |
| -C1 |
| -15 |
| >1.上兆品牌 |
| >2.系列型号 |
| >3.控制形式 |
| >4.作用方式 |
| >5.连接方式 |
| >6.公称通径 |
|
|
|
|
|
|
|
|
|
|
|
| -16 |
| -P4 |
| -Y |
| -W1 |
| -B1 |
| -K |
| >7.公称压力 |
| >8.阀体材质 |
| >9.密封材质 |
| >10.介质温度 |
| >11.附件选项 |
| >12.流量特性 |
| 1代号 |
|
| 4代号 | 作用方式 |
| 5代号 | 连接方式 |
| SZ | 上兆品牌 |
| D01 | 阀后稳定 |
| C1 | 内螺纹 |
|
|
| D02 | 阀前泄压 |
| C2 | 法兰 |
|
|
| D03 | 差压上升阀关 |
| ...... | ...... |
|
| D04 | 差压上升阀开 |
|
|
|
| 2代号 | 系列型号 |
| D12 | 指挥器阀后 |
|
|
|
| 300 | 自力式调节阀 |
| D13 | 指挥器阀前 |
| 其他连接方式可根据客户要求设计制作 |
|
|
| L01 | 流量调节 |
|
|
|
|
|
| T01 | 温度(加热型) |
| 6代号 | 公称通径 |
|
|
| T02 | 温度(冷却型) |
| 15 | 15mm |
| 3代号 | 控制形式 |
| W01 | 微压型 |
| 20 | 20mm |
| ZY | 自力式压力 |
| W02 | 双膜片微压型 |
| 25 | 25mm |
| ZC | 自力式压差 |
| P/N/M | 压力调节 |
| 32 | 32mm |
| ZL | 自力式流量 |
| ...... | ...... |
| 40 | 40mm |
| ZW | 自力式温度 |
|
|
|
| 50 | 50mm |
| ZZ | 自力式组合 |
|
|
|
| ...... | ...... |
|
|
|
|
|
|
|
|
|
|
|
|
|
|
|
|
|
|
|
|
|
|
|
|
| 7代号 | 公称压力 |
| 9代号 | 密封形式 |
| 11代号 | 附件选项 |
| 16 | 16bar |
| Y | 硬密封 |
| B1 | 指挥器 |
| 40 | 40bar |
| R | 软密封 |
| B2 | 冷却罐 |
| 64 | 64bar |
|
|
|
| B3 | 散热片 |
| ...... | ...... |
|
|
|
| B4 | 冷却罐+散热片 |
|
|
|
|
|
| B5 | 加长件 |
|
|
|
|
|
| B6 | 组合件 |
| 其他特殊压力可根据客户要求制作 |
|
|
|
| B7 | 行程显示器 |
| 8代号 | 阀体材质 |
|
|
|
| B8 | 手操机构 |
| Q | 铸铁HT200 |
| 10代号 | 介质温度 |
| ...... | ...... |
| C | 铸钢WCB |
| W1 | ≤150℃ |
|
|
|
| P4 | 不锈钢304 |
| W2 | ≤200℃ |
|
|
|
| P6 | 不锈钢316L |
| W3 | ≤350℃* |
|
|
|
| ...... | ....... |
|
|
|
| 12代号 | 流量特性 |
|
|
|
|
|
| K | 快开 |
|
|
|
|
|
|
|
|
|
|
|
|
|
|
|
|
|
|
|
|
|
|
|
|
| 其它特殊阀体材质可定做 |
| *表示仅当介质为蒸汽有效且阀体需选用PN40 |
|
上兆阀门其他产品:
闸 阀 截止阀 球 阀 蝶 阀 紧急切断阀 电磁阀 水力控制阀 止回阀 刀型闸阀 旋塞阀 过滤器 减压阀 疏水阀 隔膜阀 调节阀 阻火器 呼吸阀 燃气阀门 冶金阀门