D643H气动硬密封法兰蝶阀连接尺寸和工作原理
D643H气动硬密封法兰蝶阀有阀体、蝶板、阀杆、气动执行器等主要部件组成,气动蝶阀的执行器分为单作用和双作用区分,单作用气动法兰蝶阀主要为气开或气关方式,单作用气动蝶阀内置弹簧,气开式单作用蝶阀当气源打开时阀门打开,断掉气源阀门自动关闭,气关式反之。双作用气动蝶阀通过电磁阀来控制气开、气关,D643H气动硬密封蝶阀也可安装定位器用于阀门流量的调节通过4~20ma来控制阀门的开启度。主要用于蒸汽、煤气、液化气等调节作用。
D643H 气动法兰硬密封蝶阀系列产品,是长寿命、节能型蝶阀。其结构采用三维偏心原理设计,弹性密封和硬软多层密封兼容的加工新工艺,使蝶阀在运行工作时,减少其扭矩力,达到省力,节能之功能。从而确保整体的抗腐蚀、耐高温、抗靡损的可靠性。适用于食品、医药、石油化工、电厂、钢厂、工业环保水处理及高层建 筑、供排水管道上作调节流量和截断流体最佳装置。 二、D643H 气动法兰硬密封蝶阀--特点 1、结构独特、型小轻便、操作灵活、省力、方便;
2、密封可靠,可达到气密封无泄漏; 3、流量特性趋于直线调节性有最佳;
4、采用三偏心原理,使密封面近似零靡损延长了阀门的使用寿命;
5、应用范围广。如:可用于水、蒸气、油品、空气、煤气等介质; 6、适用不同温度及6.4MPa以下的压力等级,耐腐蚀等各种介质管线。
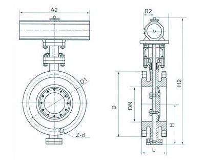
三、D643H 气动法兰硬密封蝶阀--主要连接及外形尺寸 公称通径 DN | 结构长度L | 外形尺寸(参考值) | 连接(标准值) | 参考 重量Dt343H | | H | Dt343H | PN0.6MPa | PN1.0MPa | | mm | inch | 短 | 长 | H1 | A1 | B1 | D | D1 | z-d | D | D1 | z-d | | 50 | 2 | 108 | 150 | 112 | 350 | 180 | 200 | 140 | 110 | 4-14 | 165 | 125 | 4-18 | 17 | | 65 | 5/2 | 112 | 170 | 115 | 370 | 180 | 200 | 160 | 130 | 4-14 | 185 | 145 | 4-18 | 20 | | 80 | 3 | 114 | 180 | 120 | 380 | 180 | 200 | 190 | 150 | 4-18 | 200 | 160 | 8-18 | 23 | | 100 | 4 | 127 | 190 | 138 | 420 | 180 | 200 | 210 | 170 | 4-18 | 220 | 180 | 8-18 | 25 | | 125 | 5 | 140 | 200 | 164 | 460 | 180 | 200 | 240 | 200 | 8-18 | 250 | 210 | 8-18 | 40 | | 150 | 6 | 140 | 210 | 175 | 555 | 270 | 280 | 165 | 225 | 8-18 | 285 | 240 | 8-22 | 47 | | 200 | 8 | 152 | 230 | 208 | 605 | 270 | 280 | 320 | 280 | 8-18 | 340 | 295 | 8-22 | 60 | | 250 | 10 | 165 | 250 | 243 | 680 | 270 | 280 | 375 | 335 | 12-18 | 395 | 350 | 12-22 | 95 | | 300 | 12 | 178 | 270 | 283 | 800 | 380 | 420 | 440 | 395 | 12-22 | 445 | 400 | 12-22 | 124 | | 350 | 14 | 190 | 290 | 310 | 835 | 380 | 420 | 490 | 445 | 12-22 | 505 | 460 | 16-22 | 181 | | 400 | 16 | 216 | 310 | 340 | 915 | 450 | 470 | 540 | 495 | 16-22 | 565 | 515 | 16-26 | 260 | | 450 | 18 | 222 | 330 | 380 | 960 | 480 | 490 | 595 | 550 | 16-22 | 615 | 565 | 20-26 | 338 | | 500 | 20 | 229 | 350 | 410 | 1020 | 480 | 490 | 645 | 600 | 20-22 | 670 | 620 | 20-26 | 360 | | 600 | 24 | 267 | 390 | 470 | 1225 | 480 | 660 | 755 | 705 | 20-26 | 780 | 725 | 20-30 | 540 | | 700 | 28 | 292 | 430 | 550 | 1355 | 640 | 660 | 860 | 810 | 24-26 | 895 | 840 | 24-30 | 580 | | 800 | 32 | 318 | 470 | 640 | 1470 | 640 | 660 | 975 | 920 | 24-30 | 1015 | 950 | 24-33 | 845 | | 900 | 36 | 330 | 510 | 710 | 1545 | 750 | 860 | 1075 | 1020 | 24-30 | 1115 | 1050 | 28-33 | 1050 | | 1000 | 40 | 410 | 550 | 770 | 1795 | 850 | 860 | 1175 | 1120 | 28-30 | 1230 | 1160 | 28-36 | 1500 | | 1200 | 48 | 470 | 630 | 890 | 1965 | 850 | 900 | 1405 | 1340 | 32-33 | 1455 | 1380 | 32-39 | 2000 |
 
|