升降式止回阀的应用和结构长度尺寸||上海上兆阀门制造有限公司 H41H 升降式止回阀适用于中、小口径管路的各种压力、温度和介质下控制接通或截断管路介质的启闭装置;依靠阀瓣自重和流体压差实现自动阻止流体倒流。 | 阀体材料 | 公称压力 (MPa) | 工作温度 (℃) | 适用介质 | | 碳 钢 | 1.6-6.4 | ≤425 | 水、油品、蒸汽 | | 10.0、16.0 | ≤450 | / | | 不锈钢 | P | 1.6-16.0 | ≤200 | 硝酸类 | | R | / | / | 醋酸类 | 铬镍钛 耐热钢 | PI | 1.6-6.4 | ≤550 | 石油、石油产品 | | 铬钼钢 | 1.6-16.0 | ≤550 | 油 |
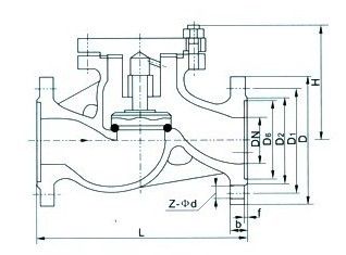
公称压力 PN | 公称通径 DN | 主要连接尺寸 | 外形 尺寸 | | L | D | D 1 | D 2 | D 6 | b | f | f 1 | Z-φd | H | | 1.6MPa | 40 | 200 | 145 | 110 | 85 | - | 16 | 2 | - | 4-18 | 95 | | 50 | 230 | 160 | 125 | 100 | - | 16 | 2 | - | 4-18 | 105 | | 65 | 290 | 180 | 140 | 120 | - | 18 | 2 | - | 4-18 | 120 | | 80 | 310 | 195 | 165 | 135 | - | 20 | 3 | - | 8-18 | 130 | | 100 | 350 | 215 | 180 | 155 | - | 20 | 3 | - | 8-18 | 140 | | 125 | 400 | 245 | 210 | 185 | - | 22 | 3 | - | 8-12 | 155 | | 150 | 480 | 280 | 240 | 210 | - | 24 | 3 | - | 8-23 | 180 | | 200 | 600 | 335 | 295 | 265 | - | 26 | 3 | - | 12-23 | 215 |
 
| 上海上兆阀门制造有限公司 | 销售地址:上海市中华新路588号 工厂地址:上海浦东新场开发区 联系电话:021-66105556 图文传真:021-23027829 业务手机:15000508975 邮箱:sales@valvesz.com 邮编:200070 |
|