

| 通风蝶阀D041W特点及参数 发布时间:21-07-22 | ||||||||||||||||||||||||||||||||||||||||||||||||||||||||||||||||||||||||||||||||||||||||||||||||||||||||||||||||||||||||||||||||||||||||||||||||||||||||||||||||||||||||||||||||||||||||||||||||||||||||||||||||||||||||||||||||||||
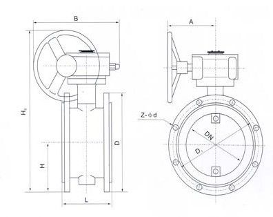
通风蝶阀D041W特点及参数 无头通风蝶阀D041W无头烟尘气蝶阀D641W气动通风蝶阀/D941W电动通风蝶阀/烟尘气管道蝶阀/不锈钢通风蝶阀/通风调节蝶阀/风量调节蝶阀可直接安装电动气动装置,通风蝶阀是一种非密闭型蝶阀,采用中线式碟板与短结构钢板焊接的新型结构形式设计制造的,具有结构紧凑、便于安装、流阻小、流通量大,避免高温膨胀的影响,操作轻便。广泛适用于建材、冶金、矿山、电力等生产过程中的含尘气体、通风净化装置、烟气管道等管道上,用以连通、启闭或调节介质。 通风不锈钢蝶阀采用与阀体相同材料加工成密封圈,其适用温度随阀体选材而定,公称压力≤1.0MPa,一般适用于工业、冶金、环保等管道作通风调节介质流量之用。 ![]() 应用范围: 通风蝶阀适用温度随阀体选材而定,公称压力≤1.0MPa,一般适用于工业、冶金、环保、化工、建材、电站、玻璃等行业中的通风、环保工程的含尘冷风或热风气体管道中,作为气体介质调节流量或切断的管道控制装置。通风蝶阀在管道中一般应当水平安装。 结构特点: 1、通风蝶阀设计新颖、合理,结构独特,重量轻,启闭迅速。 2、蝶阀操力矩小,操作方便,省力灵巧。 3、采用适应的材料以满足低、中、高不同介质温度其及腐蚀性介质等。 4、内无连杆、螺栓等、工作可靠、使用寿命长,不受介质流向影响 标准规范: 设计制造标准:GB/T 12238-1989;JB/T8692-1998 结构长度标准:GB/T 12221-2005 连接法兰标准:GB/T 9115.1 压力温度等级:GB/T 12224-2005 试验检验标准:GB/T 13927-2008 ![]() 主要技术参数:
|
||||||||||||||||||||||||||||||||||||||||||||||||||||||||||||||||||||||||||||||||||||||||||||||||||||||||||||||||||||||||||||||||||||||||||||||||||||||||||||||||||||||||||||||||||||||||||||||||||||||||||||||||||||||||||||||||||||
|
||
|
||
|
||
|
||
|
||
|
||
|
||
|
||
|
||
|
||
|
||
|
||
|
||
|
||
|
||