

| PZ973H-16C-DN700_刀型电动闸阀CAD图 发布时间:21-01-04 |
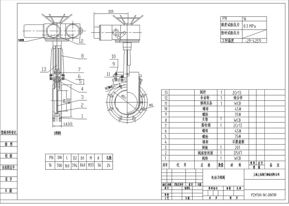
PZ973H-16C-DN700_刀型电动闸阀产品简介: 该产品驱动部分采用多回转电动装置,用以驱动和控制阀门的开启和关闭,操作人员可以在控制室内远距离对阀门进行控制也可以现场手动操作,也可以与计算机配合实现计算机自动控制。广泛应用于排水、供热、电站、化工、食品、造纸、制药、煤碳、采矿等工程,满足了现代工、农业自动化要求。 ![]() PZ973H-16C-DN700_刀型电动闸阀工作原理: 电动对夹式刀形闸阀吸取了国内外先进技术和结构优点,是一种具有轻型、结构简单小巧、密封性能可靠、使用寿命长、具有切断介质等优点,其密封原理是通过闸板在关闭到底时,闸板斜切面碰到阀体上的锲块使得闸板紧靠密封面起到密封效果,并且闸板底部的斜切面具有切断介质的功能,使得阀门不易受介质的堵塞卡阻。其结构可以做成硬密封、软密封,可以很可以根据客户对密封要求选型。紧急切断阀软密封是由金属压套把橡胶密封圈封套反锁在阀座密封槽内,使得密封圈不会脱落,并且取下金属压套可以很方便的更换橡胶密封圈,这样不仅提高了阀门使用寿命,并且也大大节省了用户的使用成本。配多回转电动执行器可以实现远程微电脑控制,也可以现场手动操作,配有手动切换手柄,万一供电系统终断,可以手动操作开启或关闭阀门、有效控制介质、防止事故发生。 PZ973H-16C-DN700_刀型电动闸阀电动装置参数: 电源:AC380V、50HZ。 标准型:标准型产品具有防尘、防雨水的外壳 ?;つ芰?、?;さ燃禝P65,可直接用于户外。 防水型:产品具有防尘、防浸水(IP67)的外壳防护等级。 防爆型(EX):防爆等为DⅡ BT4/DⅡ CT4(不含乙炔)。 环境温度:-20℃~40℃ 可?。号涞缙刂破?/div> 电动对夹式刀形闸阀ZP973H产品特点: ■启闭迅速,平衡可靠,自动化程度高。 □安装高度及位置不受限制。 ★采用防爆型电动装置,在易燃易爆,甚至有毒气体环境中可以正常工作。 ☆配有手动,万一供电间断,可以手动操作开启或关闭阀门,有效控制介质,防止事故发生。 PZ973H-16C-DN700_刀型电动闸阀CAD图 ![]() |
|
||
|
||
|
||
|
||
|
||
|
||
|
||
|
||
|
||
|
||
|
||
|
||
|
||
|
||
|
||