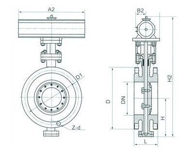
KD642X-6C煤气快切阀是根据用户的实际工作情况。它由防爆电磁阀 过滤器返回。 由气动装置和 蝶阀组成,适用于炉气,高炉煤气,转炉煤气,除尘等易燃气体管道的快速切断场合。管道。 因为它采用特殊的耐腐蚀材料和高科技来防止烟灰进入套管,蝶阀开关是灵活的,不会卡住。经过客户多年的使用,效果显着。 气动快速切断阀 - 性能特点: 公称压力:0.60MPa 强度试验压力:0.9 MPa 密封试验压力:0.66MPa 适用温度:≤200°C 适用介质:加热炉煤气,高炉煤气,转炉煤气等 阀体部分(气体专用蝶阀)阀杆采用镀铬,填料为高温石墨,在上下轴之间进行特殊处理,组装防锈装置。 经过这些特殊工艺后,阀门具有耐腐蚀性,耐焦油性,并且有限的防止烟灰进入轴承,从而确保阀门开关灵活且不会卡住,并在管道中起到切断介质的作用。 KD642X-6C煤气快切阀具有单作用(双作用)气动装置,由单作用(双作用)气缸,活塞,连杆,壳体输出轴等机械传动机构和电磁阀组成。过滤减压阀和其他控制组件。 紧急切断阀 当气动执行器连接到回路和系统气源时,电磁阀接收24V电压信号并将其转换为输出气压,使压缩空气进入气缸的一端,推动活塞移动到另一端,活塞通过连杆和其他部件驱动输出。 轴运行以快速打开和关闭阀门。 同时,根据阀门的开启和关闭位置,回波装置的反馈输出的反馈信号被正确定位。 KD642X-6C煤气快切阀 - 实施标准: 1。设计制造:GB12238; 2,法兰连接尺寸; GB9115; 3。检验和试验:GB / T13927 KD642X-6C煤气快切阀 - 主要连接和尺寸:
公称通径 DN | 结构长度L | 外形尺寸(参考值) | 连接(标准值) | 参考 重量Dt343H | | H | Dt343H | PN0.6MPa | PN1.0MPa | | mm | inch | 短 | 长 | H1 | A1 | B1 | D | D1 | z-d | D | D1 | z-d | | 50 | 2 | 108 | 150 | 112 | 350 | 180 | 200 | 140 | 110 | 4-14 | 165 | 125 | 4-18 | 17 | | 65 | 5/2 | 112 | 170 | 115 | 370 | 180 | 200 | 160 | 130 | 4-14 | 185 | 145 | 4-18 | 20 | | 80 | 3 | 114 | 180 | 120 | 380 | 180 | 200 | 190 | 150 | 4-18 | 200 | 160 | 8-18 | 23 | | 100 | 4 | 127 | 190 | 138 | 420 | 180 | 200 | 210 | 170 | 4-18 | 220 | 180 | 8-18 | 25 | | 125 | 5 | 140 | 200 | 164 | 460 | 180 | 200 | 240 | 200 | 8-18 | 250 | 210 | 8-18 | 40 | | 150 | 6 | 140 | 210 | 175 | 555 | 270 | 280 | 165 | 225 | 8-18 | 285 | 240 | 8-22 | 47 | | 200 | 8 | 152 | 230 | 208 | 605 | 270 | 280 | 320 | 280 | 8-18 | 340 | 295 | 8-22 | 60 | | 250 | 10 | 165 | 250 | 243 | 680 | 270 | 280 | 375 | 335 | 12-18 | 395 | 350 | 12-22 | 95 | | 300 | 12 | 178 | 270 | 283 | 800 | 380 | 420 | 440 | 395 | 12-22 | 445 | 400 | 12-22 | 124 | | 350 | 14 | 190 | 290 | 310 | 835 | 380 | 420 | 490 | 445 | 12-22 | 505 | 460 | 16-22 | 181 | | 400 | 16 | 216 | 310 | 340 | 915 | 450 | 470 | 540 | 495 | 16-22 | 565 | 515 | 16-26 | 260 | | 450 | 18 | 222 | 330 | 380 | 960 | 480 | 490 | 595 | 550 | 16-22 | 615 | 565 | 20-26 | 338 | | 500 | 20 | 229 | 350 | 410 | 1020 | 480 | 490 | 645 | 600 | 20-22 | 670 | 620 | 20-26 | 360 | | 600 | 24 | 267 | 390 | 470 | 1225 | 480 | 660 | 755 | 705 | 20-26 | 780 | 725 | 20-30 | 540 | | 700 | 28 | 292 | 430 | 550 | 1355 | 640 | 660 | 860 | 810 | 24-26 | 895 | 840 | 24-30 | 580 | | 800 | 32 | 318 | 470 | 640 | 1470 | 640 | 660 | 975 | 920 | 24-30 | 1015 | 950 | 24-33 | 845 | | 900 | 36 | 330 | 510 | 710 | 1545 | 750 | 860 | 1075 | 1020 | 24-30 | 1115 | 1050 | 28-33 | 1050 | | 1000 | 40 | 410 | 550 | 770 | 1795 | 850 | 860 | 1175 | 1120 | 28-30 | 1230 | 1160 | 28-36 | 1500 | | 1200 | 48 | 470 | 630 | 890 | 1965 | 850 | 900 | 1405 | 1340 | 32-33 | 1455 | 1380 | 32-39 | 2000 |
|