

| 阀门的法兰标准及法兰面连接方式 发布时间:17-10-11 |
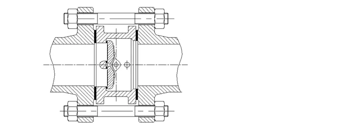
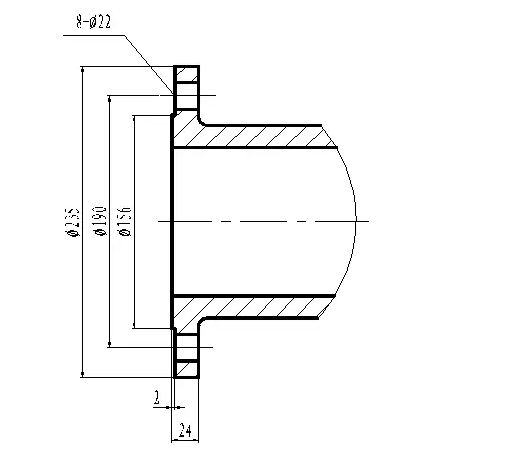
第一,阀门得和管道连接好;第二,阀门要驱动起来。这篇文章,详细的解答了4大阀门连接形式,及7种阀门驱动方法。要让阀门“动起来”,这些必须得了解! 阀门连接形式 阀门与管道的连接形式主要有法兰连接、焊接连接、对夹连接、螺纹连接、卡箍连接、卡套连接等方式。 1.法兰连接 ① 定义 法兰连接:法兰连接是指由法兰、垫片及螺栓三者相互连接作为一组组合密封结构的可拆连接。管道法兰系指管道装置中配管用的法兰,用在设备上系指设备的进出口法兰。法兰连接使用方便,能够承受较大的压力。 ![]() ② 法兰连接适用范围 法兰连接可适用于各种公称尺寸、公称压力的阀门,但对使用温度有一定的限制,在高温工况时,由于法兰的连接螺栓易产生蠕变现象而造成泄漏,一般情况下法兰连接推荐在≤350℃温度使用。 ③ 法兰类型 法兰的结构型式:整体法兰(IF)、承插焊法兰(SW)、螺纹法兰(Th)、带颈对焊法兰(WN)、带颈平焊法兰(SO)、板式平焊法兰(PL)、平焊环松套法兰(PJ/RJ) 、对焊环松套法兰(PJ/SE)、法兰盖(BL)等。 ④ 法兰密封面形式 法兰密封面主要是防止管道中介质向外泄漏,密封面形式主要有平面(FF)、突面(RF)、凹凸面(MF)、榫槽面(TG)、环连接面(RJ)等几种。 平面法兰连接形式一般适用于PN40及以下的阀门,突面法兰、凹凸面法兰、榫槽面法兰连接形式一般适用于PN160及以下的阀门,环连接面法兰连接形式一般适用于PN420及以下的高压阀门。阀门与管道连接采用凹凸面(MF)连接时,一般情况下阀门的端法兰采用凹面形式。阀门与管道连接采用榫槽面(TG)连接时,一般情况下阀门的端法兰采用槽面(G)形式。 ![]() ![]() ⑤ 法兰标准 国家标准法兰(GB/T) GB/T 9112~GB/T 9124标准规定了钢制管法兰的类型、参数、尺寸数据以及技术条件 ,其中GB/T 9113.1~GB/T 9113.4为整体钢制管法兰的标准。 整体钢制管法兰可分为平面整体钢制管法兰、突面整体钢制管法兰、凹凸面整体钢制管法兰、榫槽面整体钢制管法兰、环连接面整体钢制管法兰。 GB/T 13402: 大直径碳钢管法兰 中国化工行业标准 HG 20592~HG 20635,其中HG 20592~HG 20614属欧洲体系,HG 20615~HG 20635属美洲体系。 a、钢管外径分以下两种: 国际通用系列(A系列)——英制管 国内沿用系列(B系列)——公制管 b、螺纹法兰采用的管螺纹分为三种种情况: 采用按GB 7306规定的55°圆锥内螺纹(Rc) 采用按GB 7306规定的55°圆柱内螺纹(Rp) 采用按GB/T 12716规定的60°圆锥管螺纹(NPT) c、法兰标记 HG 20592 和HG 20615对欧洲体系与美洲体系的法兰做出了标记规定。 中国机械行业标准 JB/T 79.1~JB/T 79.4 JB/T 81 JB/T 82.1~JB/T 82.4 JB/T 83~JB/T 86 中国石油化工行业标准 SH 3406—1996 美国标准 ASME B 16.5—2003 ASME B 16.47—2003 日本标准 JIS B 2210~JIS B 2216 德国标准 DIN 2531~DIN 2535 灰铸铁法兰 DIN 2543~DIN 2551 铸钢法兰 英国标准 BS 4504 法国标准 NF E29-211 钢制法兰 ⑥ 法兰尺寸查询示例 如阀门连接法兰采用标准HG/T 20592的整体钢制管法兰,公称压力PN25,公称尺寸DN100,密封面为RF形式,查标准HG/T 20592得出法兰尺寸如下: ![]() ⑦ 注意事项 法兰螺栓支承面及螺栓孔的位置 GB/T 9124中规定:法兰的螺栓支承面应进行机加工或锪孔,锪孔尺寸按GB/T 152.4的有关规定,加工后的法兰应保证符合表3规定的极限偏差要求。所有螺栓孔应均等地分布在螺栓孔中心圆直径上,对于整体式法兰,其螺栓孔应与管道主轴线或铅垂线跨中布置。 法兰密封面的密纹水线 HG 20603中规定: ≤PN40的突面法兰采用非金属平垫片、聚四氟乙烯包覆垫和柔性石墨复合垫时,可车制密水纹线,密封面代号为RF(A),密封面粗糙度为Ra6.3~12.5,水线的深度为0.05mm,水线节距为0.8mm,加工刀具圆角为1.6mm。 GB/T 9124中规定: 当使用非金属软垫片时,突面法兰密封面上允许加工水线,但应在订货合同中注明。突面法兰的密封面允许按f×45°倒角。密封面粗糙度为Ra3.2~12.5,水线的深度为0.05mm,水线节距为0.8mm,加工刀具圆角为1.6mm。 ASME B 16.5标准中6.4.5.3中规定: 应提供同心圆式或螺旋式的细齿表面,其综合表面平均粗糙度为Ra3.2~6.3,切削刀具应为1.5mm(0.06in)或更大关径,每mm的细齿数为1.8~2.2个(每英寸的细齿数为45~55)。 2.焊接连接 阀门焊接连接:焊接连接是指阀门阀体带有焊接坡口,通过焊接方式与管道系统相连的一种连接形式。 GB/T 12224、API600、ASME B 16.34等标准对焊接坡口做出了规定,其焊接坡口形式如下: ![]() 阀门与管道的焊接连接分为对焊连接(BW)与承插焊连接(SW),承插焊端应符合JB/T 1751的规定。对焊连接(BW)可适用于各种尺寸、各种压力以及高温的工况,承插焊连接(SW)一般适用于≤DN50的阀门。 ![]() 3.对夹连接 对夹连接指阀门两侧的管道法兰,通过螺栓夹紧使阀门与管道系统相边的一种连接方式。示图如下: ![]() 4.螺纹连接与卡箍连接 螺纹连接指阀体上带有内螺纹或外螺纹,通过螺纹与管道系统相连的一种连接方式。 卡箍连接是指阀体上带有夹口,通过卡箍与管道系统相连的一种连接方式。 ![]() 阀门驱动方式 阀门驱动方式主要有手动、蜗杆传动、齿轮传动(包括锥齿轮和正齿轮)、电动、气动、液动、电磁传动、电—液动、气—液动、电磁—液动等方式。 1.手动 借助手轮、手柄、杠杆等由人力来操纵的阀门。 2.蜗杆传动装置(Worm gear actuator) 用蜗轮蜗杆机构启闭或调节阀门的驱动装置。 ![]() 3.圆锥齿轮传动装置(Conical gear actuator) 用圆锥齿轮机构启闭或调节阀门的驱动装置,亦称伞齿轮传动。 ![]() 4.圆柱齿轮传动装置(Conical gear actuator) 用圆柱齿轮机构启闭或调节阀门的驱动装置,亦称正齿轮传动。 ![]() 5.电动装置(Electric actuator) 用电力启闭或调节阀门的驱动装置,亦称电动执行机构。 阀门电动装置是实现阀门程控、自控和??夭豢扇鄙俚纳璞福湓硕炭捎尚谐?、转矩或轴向推力的大小来控制。 操作力矩是选择阀门电动装置的最主要参数,电动装置输出力矩应为阀门操作最大力矩的1.2~1.5倍。 ![]() ![]() 6.气动装置(Pneumatic actuator) 用气力启闭或调节阀门的驱动装置,亦称气动执行机构。 ![]() 7.液动装置(Hydrauic actuator) 用液压力启闭或调节阀门的驱动装置,亦称液动执行机构。 ![]() |
|
||
|
||
|
||
|
||
|
||
|
||
|
||
|
||
|
||
|
||
|
||
|
||
|
||
|
||
|
||